GM Service Manual Online
For 1990-2009 cars only
Makes
🢒
Cadillac
🢒
2004
🢒
Escalade EXT
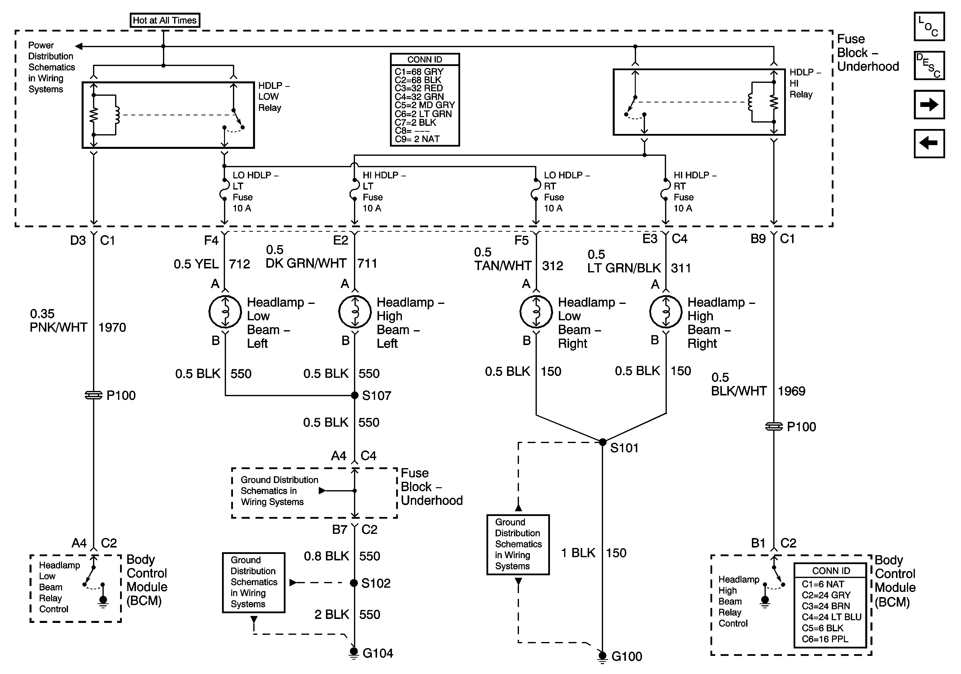
🢒 Headlights
Headlights
Headlights
Master Electrical Component List
Exterior Lighting Systems Description and Operation
Headlights - w/ Z75
Headlights/DRL Controls
B+ Bus - 2 of 2
G104, G107
G104, G107
G100, G101, G105, G106