GM Service Manual Online
For 1990-2009 cars only
Makes
🢒
Cadillac
🢒
2004
🢒
Escalade EXT
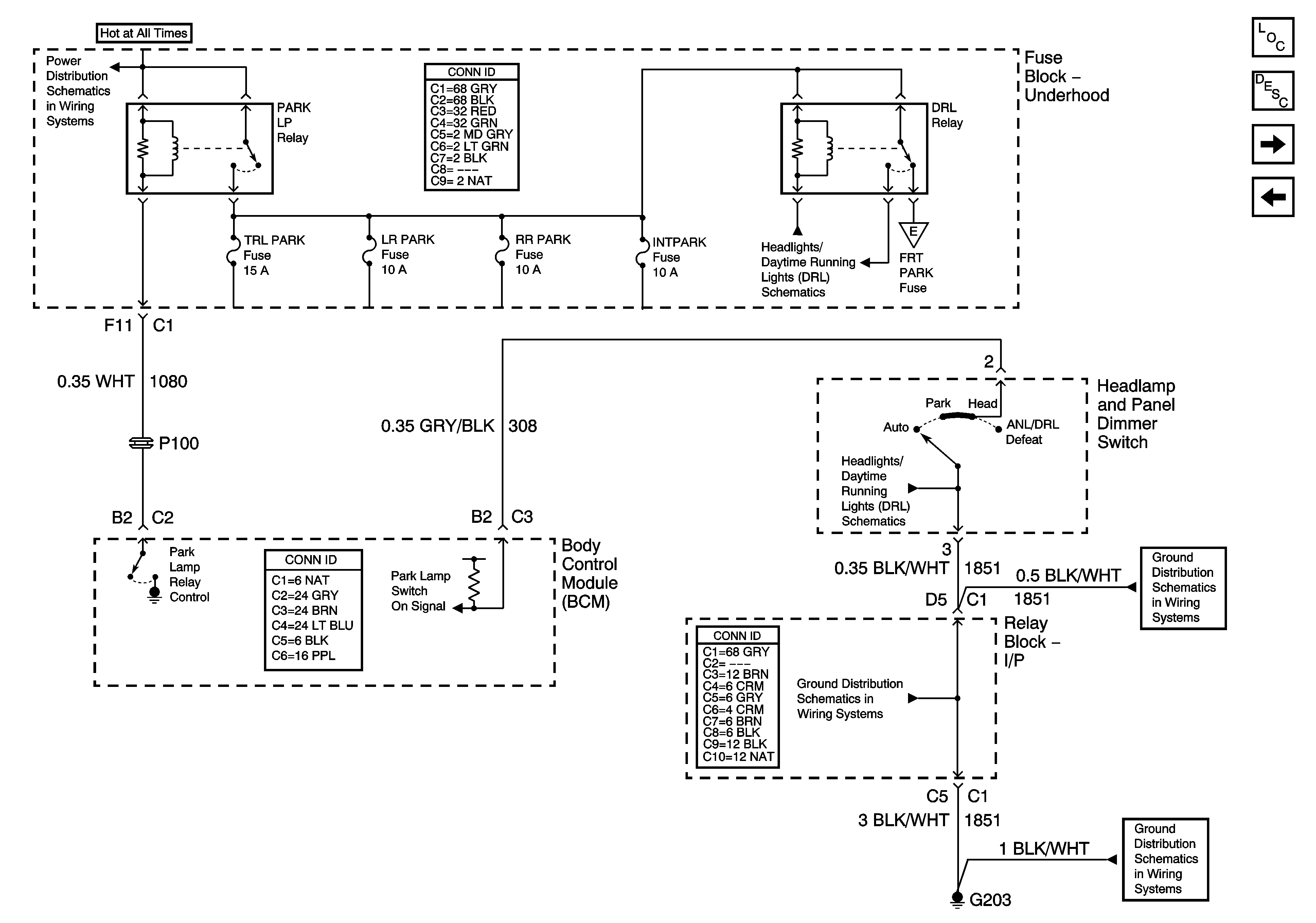
🢒 Park Lamp Relay - Export
Park Lamp Relay - Export
Park Lamp Relay - Export
Master Electrical Component List
Exterior Lighting Systems Description and Operation
Front Park Lamps - Domestic
Park Lamp Relay - Domestic
B+ Bus - 2 of 2
Daytime Running Lamps (DRL) - Export
Front Park Lamps - Export
Headlights/DRL Controls
G203 - 1 of 3
G203 - 2 of 3
G203 - 1 of 3