GM Service Manual Online
For 1990-2009 cars only
Makes
🢒
Cadillac
🢒
2004
🢒
Escalade EXT
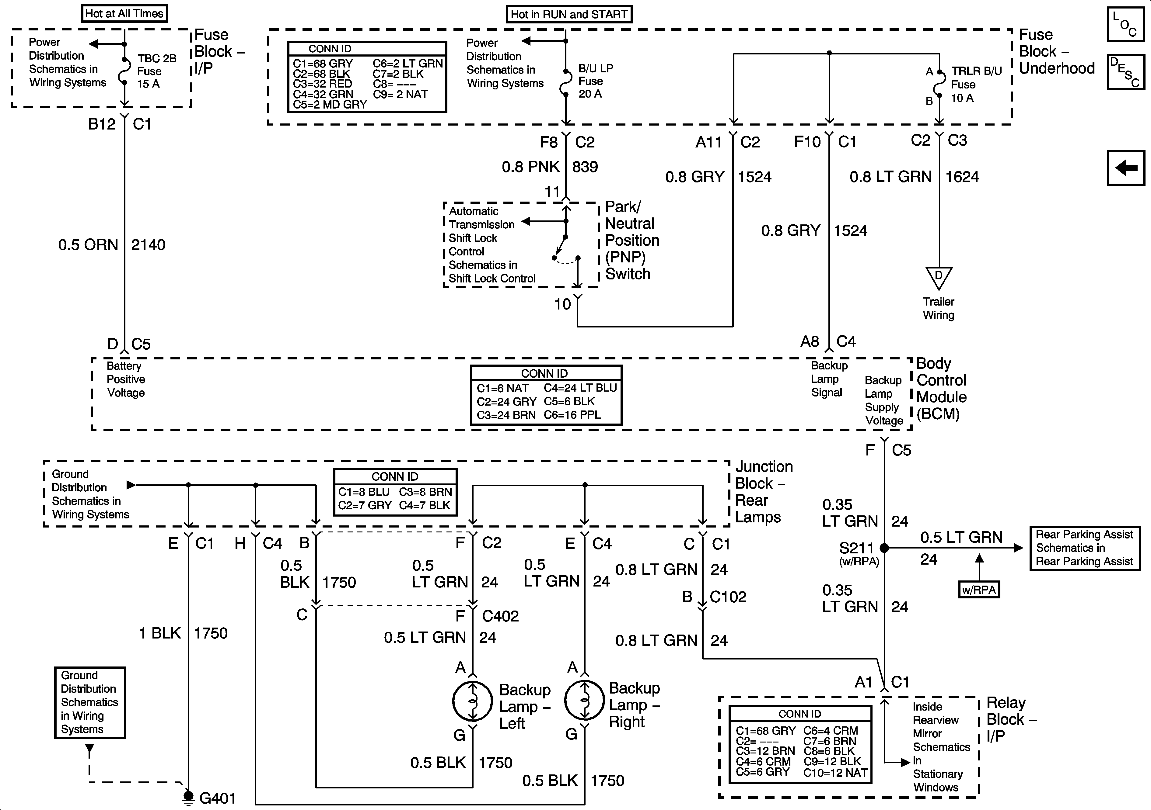
🢒 Backup Lamps
Backup Lamps
Backup Lamps
Master Electrical Component List
Exterior Lighting Systems Description and Operation
Trailer Wiring
Ignition Switch - ACC/RUN/START, ACC/RUN, and RUN/START Bus Bars
Automatic Transmission Shift Lock Control Schematics
G401, G402
G401, G402
Trailer Wiring
Rear Object Sensor Control Module, RPA Display, RPA Disable Switch
Power, Outside Air Temp, and Light Sensors