GM Service Manual Online
For 1990-2009 cars only
Makes
🢒
Cadillac
🢒
2004
🢒
Escalade EXT
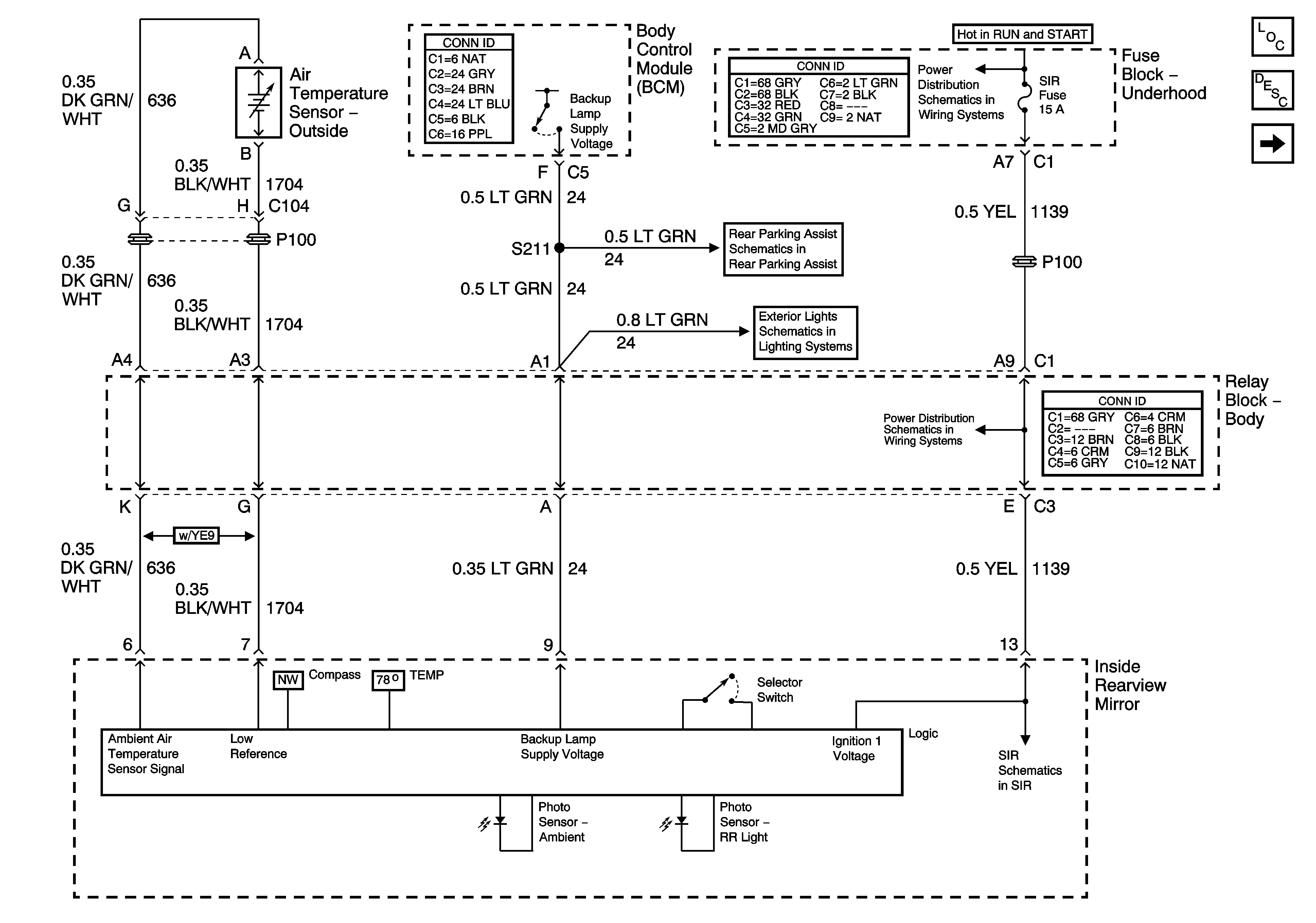
🢒 Power, Outside Air Temp, and Light Sensors
Power, Outside Air Temp, and Light Sensors
Power, Outside Air Temp, and Light Sensors
Master Electrical Component List
Automatic Day-Night Mirror Description and Operation
Ground and Electrochromic
Ignition Switch - ACC/RUN/START, ACC/RUN, and RUN/START Bus Bars
Rear Object Sensor Control Module, RPA Display, RPA Disable Switch
Backup Lamps
LH HID, RH HID, PCM B, CRANK, HORN, SIR Fuses
Passenger Presence Schematics - 1 of 2