GM Service Manual Online
For 1990-2009 cars only
Makes
🢒
Cadillac
🢒
2004
🢒
Escalade EXT
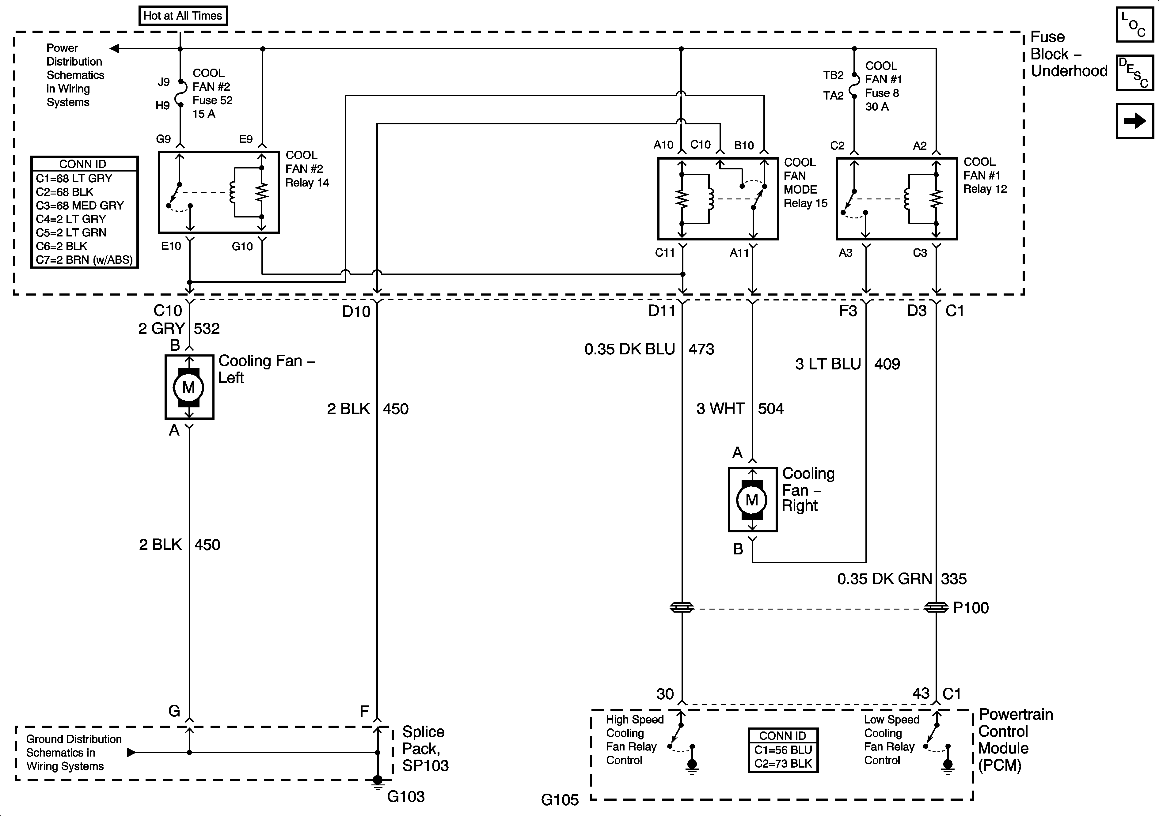
🢒 Cooling Fans - L61
Cooling Fans - L61
Cooling Fans -- L61
Master Electrical Component List
Cooling System Description and Operation
Cooling Fans
B+ Bus Bar
G103 and G105