GM Service Manual Online
For 1990-2009 cars only
Makes
🢒
Cadillac
🢒
2004
🢒
Escalade EXT
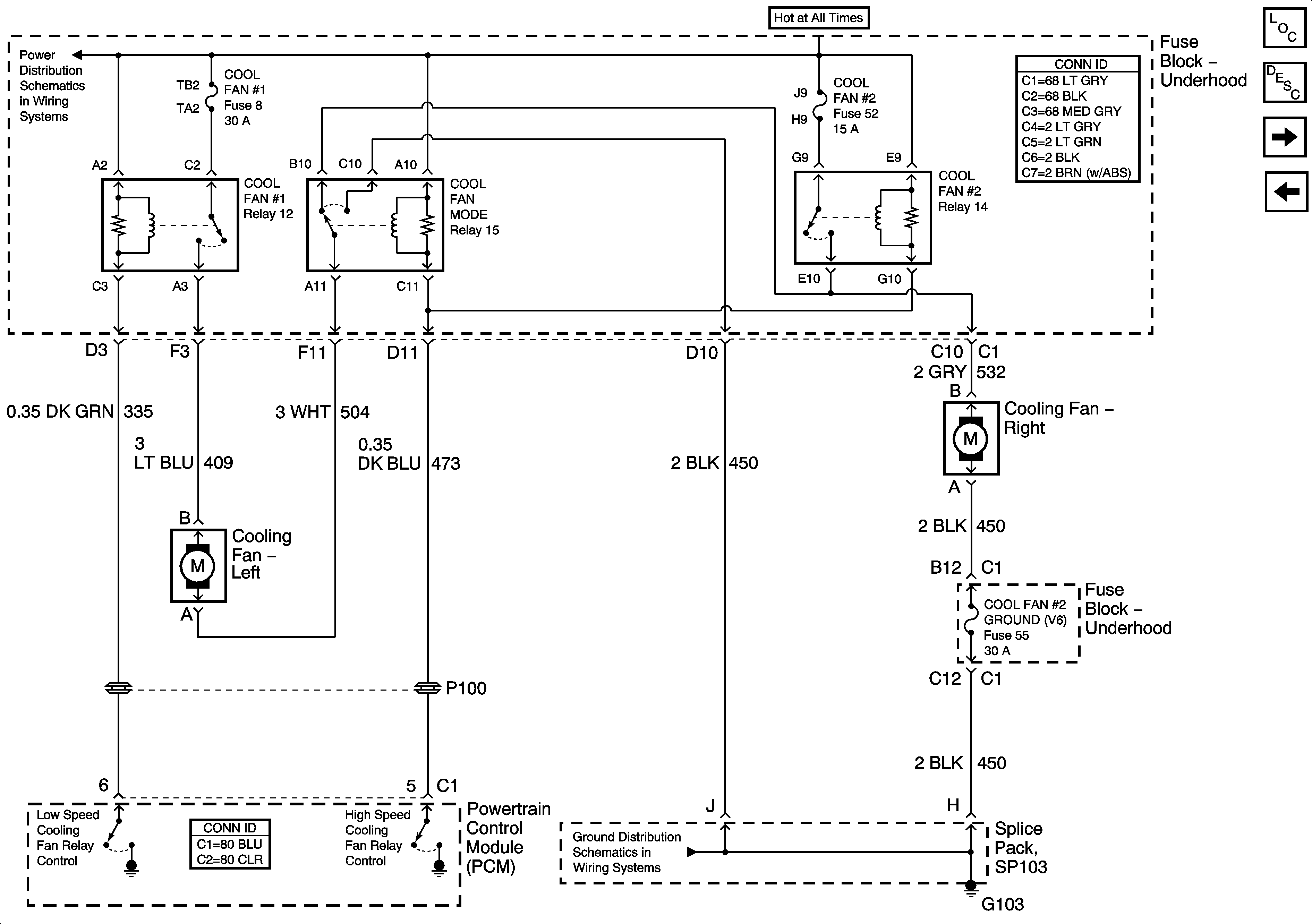
🢒 Cooling Fans
Cooling Fans
Cooling Fans -- LA1
Master Electrical Component List
Cooling System Description and Operation
Coolant Indicators
Cooling Fans - L61
B+ Bus Bar
G103 and G105