GM Service Manual Online
For 1990-2009 cars only
Makes
🢒
Cadillac
🢒
2004
🢒
Escalade EXT
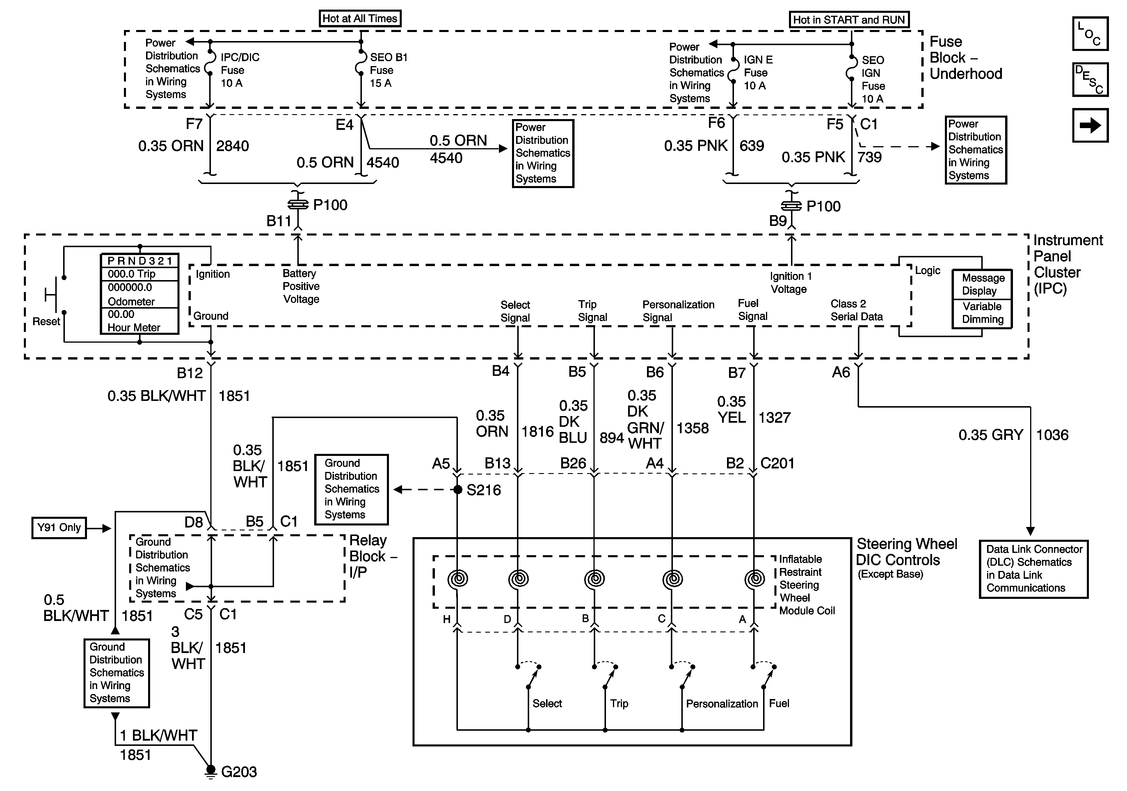
🢒 Power, Ground, Serial Data and Driver Information Control
Power, Ground, Serial Data and Driver Information Control
Power, Ground, Serial Data and Driver Information Controls
Master Electrical Component List
Instrument Cluster Description and Operation
Indicators
B+ Bus - 1 of 2
Ignition Switch - ACC/RUN/START, ACC/RUN, and RUN/START Bus Bars
RTD, RR WPR, EAP, SUNROOF Fuses
O2A, O2B, TBC IGN 1, SEO IGN Fuses
G203 - 3 of 3
G203 - 1 of 3
G203 - 1 of 3
SP205 - 1 of 2