GM Service Manual Online
For 1990-2009 cars only
Makes
🢒
Cadillac
🢒
2004
🢒
Escalade EXT
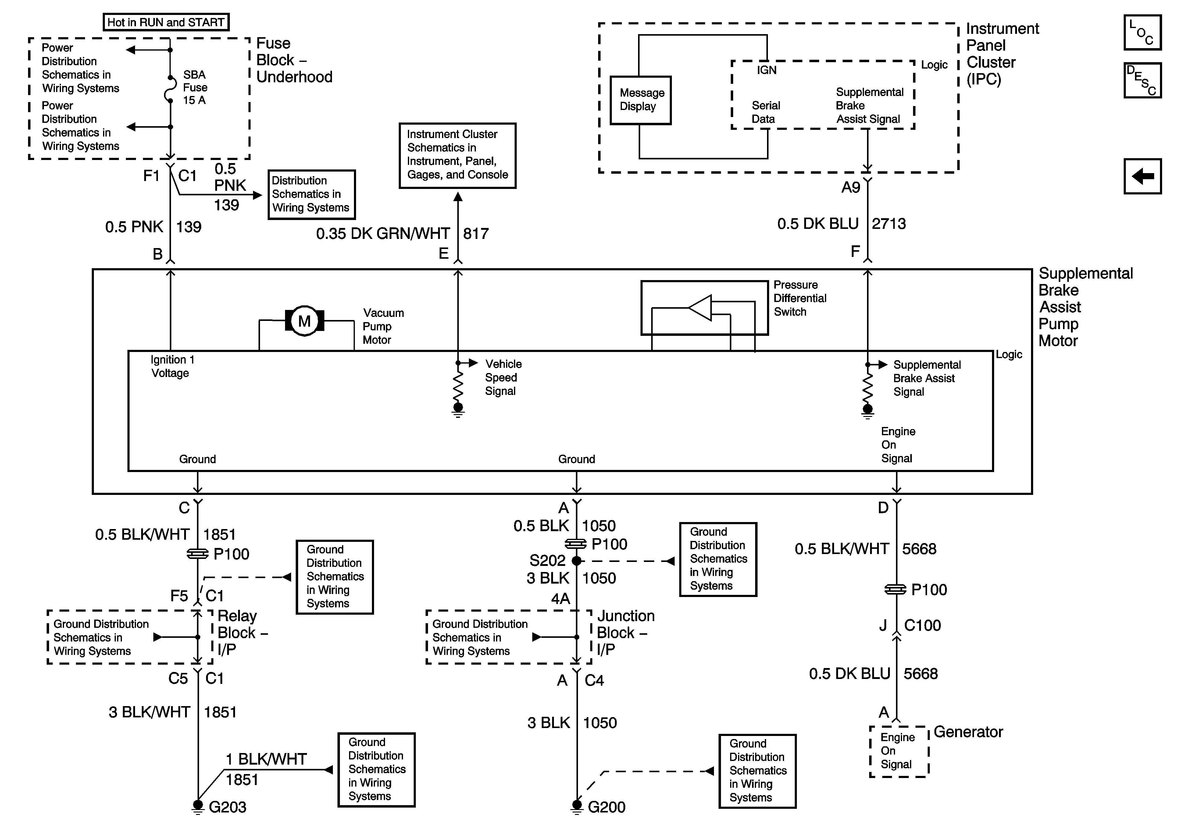
🢒 Supplemental Brake Assist
Supplemental Brake Assist
Supplemental Brake Assist
Master Electrical Component List
Brake Assist System Description and Operation Hydraulic Assist
Pressure Level Switches
IGN 1 Relay Bus Bar, SEO B2, B/U LP, BTSI, TRL B/U Fuses
SBA, ETC/ECM, PCM 1 Fuses
SBA, ETC/ECM, PCM 1 Fuses
Vehicle Speed and Speedometer
G203 - 1 of 3
G203 - 1 of 3
G200 - 1 of 3
G200 - 1 of 3
G203 - 1 of 3
G200 - 1 of 3