GM Service Manual Online
For 1990-2009 cars only
Makes
🢒
Cadillac
🢒
2004
🢒
Escalade EXT
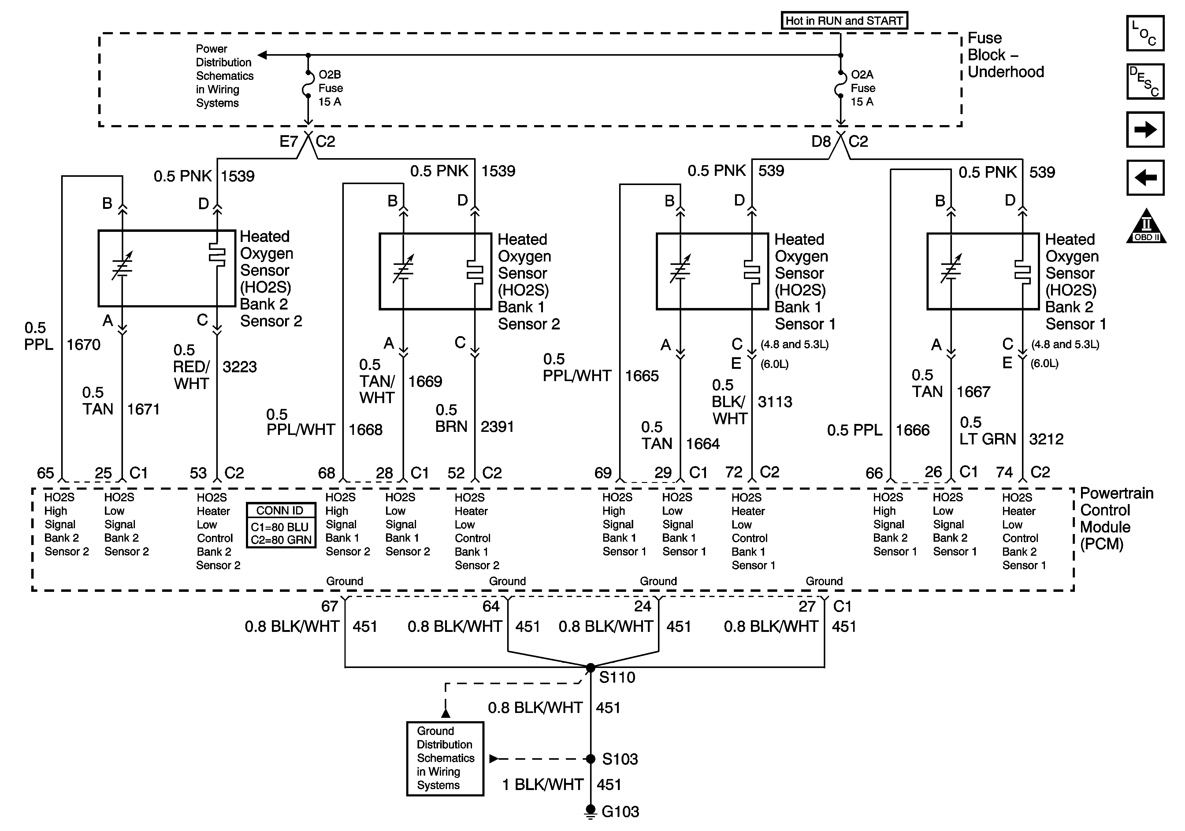
🢒 Engine Data Sensors - HO2S
Engine Data Sensors - HO2S
Engine Data Sensors - HO2S
Master Electrical Component List
Powertrain Control Module Description
Engine Data Sensors - Electronic Throttle Controls - 1 of 2
Engine Data Sensors - Pressure, Temperature and VSS
Engine Controls Schematic Icons
Ignition Switch - ACC/RUN/START, ACC/RUN, and RUN/START Bus Bars
G102, G103