GM Service Manual Online
For 1990-2009 cars only
Makes
🢒
Cadillac
🢒
2004
🢒
Escalade EXT
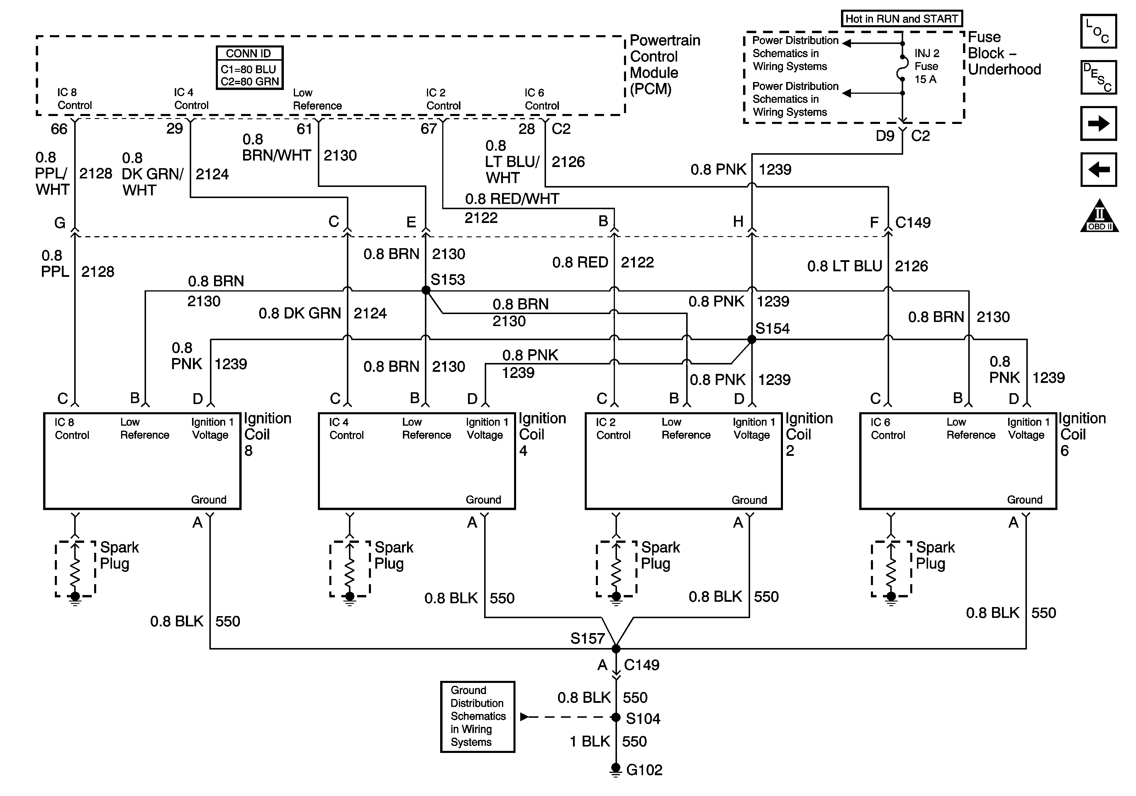
🢒 Ignition Controls - Ignition System Coils 2, 4, 6 and 8
Ignition Controls - Ignition System Coils 2, 4, 6 and 8
Ignition Controls - Ignition System Coils 2, 4, 6 and 8
Master Electrical Component List
Powertrain Control Module Description
Ignition Controls - Sensors
Ignition Controls - Ignition System Coil 1, 3, 5 and 7
Engine Controls Schematic Icons
IGN 1 Relay Bus Bar, SEO B2, B/U LP, BTSI, TRL B/U Fuses
INJ 1, INJ 2 Fuses - All Except 8.1L
G102, G103