GM Service Manual Online
For 1990-2009 cars only
Makes
🢒
Cadillac
🢒
2005
🢒
Escalade EXT
🢒
Body
🢒
Instrument Panel, Gages, and Console
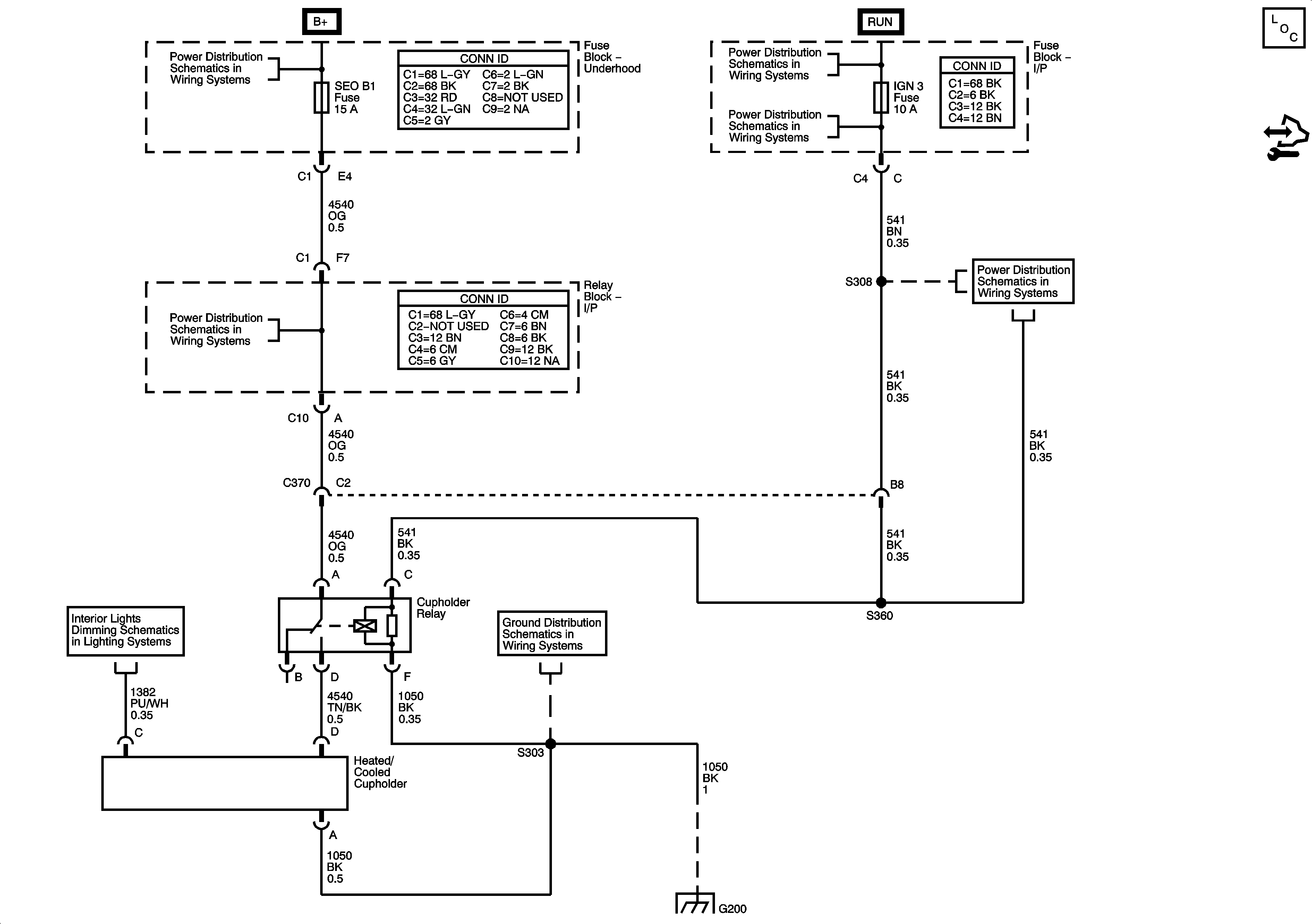
🢒 Thermo Cooler/Cupholder Schematics
Master Electrical Component List
Control Module References
IPC/DIC, LH HID, RH HID, SEO B1, SEO B2, and TBC BATT Fuses
B+ Bus - 1 of 2
Ignition Switch - ACCY/RUN/START, RUN, and START Busses, IGN A and CRANK Fuses
IGN 3 Fuse - 1 of 2
IGN 3 Fuse (ULT) - 2 of 2
G200 - 2 of 3
G200 - 2 of 3
Convertor - 1 of 4