GM Service Manual Online
For 1990-2009 cars only
Makes
🢒
Cadillac
🢒
2005
🢒
Escalade EXT
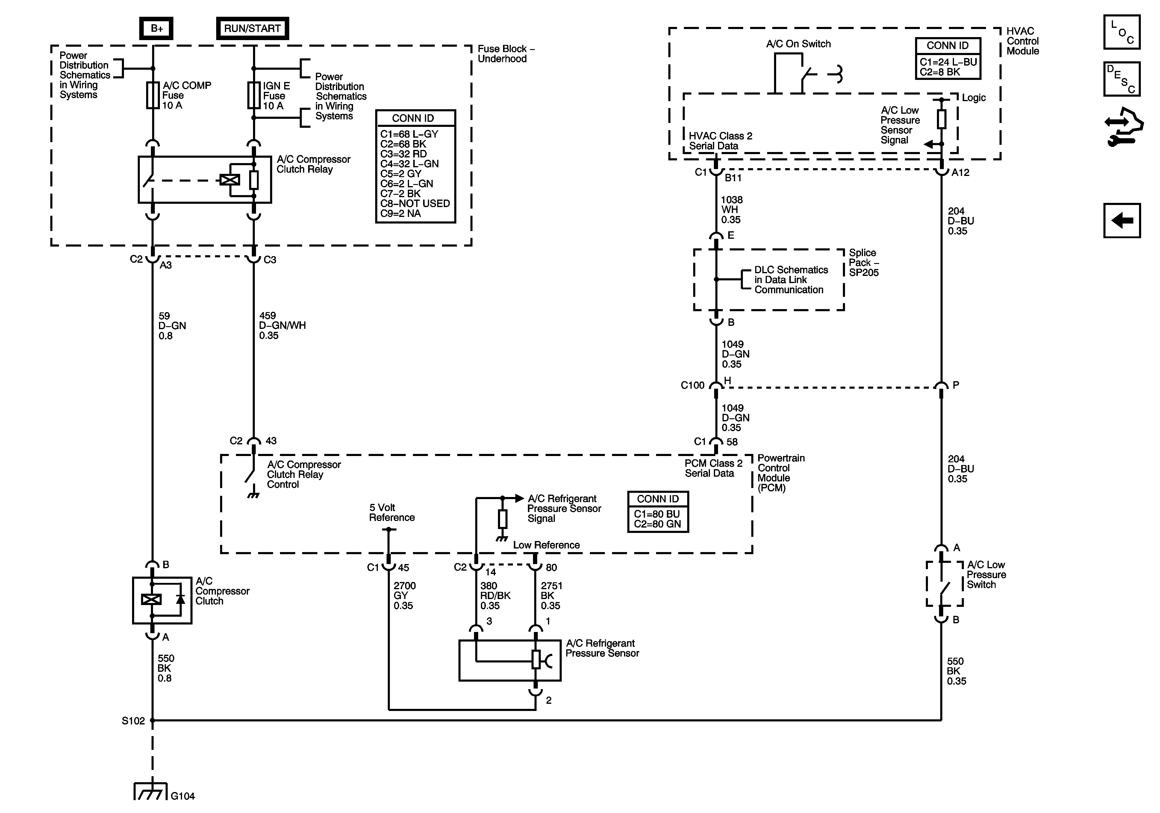
🢒 A/C Compressor Control
A/C Compressor Control
A/C Compressor Controls
Master Electrical Component List
Air Temperature Description and Operation
Control Module References
Auxiliary HVAC - Air Temperature Sensors
B+ Bus - 1 of 2
IGN E and SIR Fuses
Power, Ground, DLC, and Splice Pack SP205
G104 and G107