GM Service Manual Online
For 1990-2009 cars only
Makes
🢒
Cadillac
🢒
2005
🢒
Escalade EXT
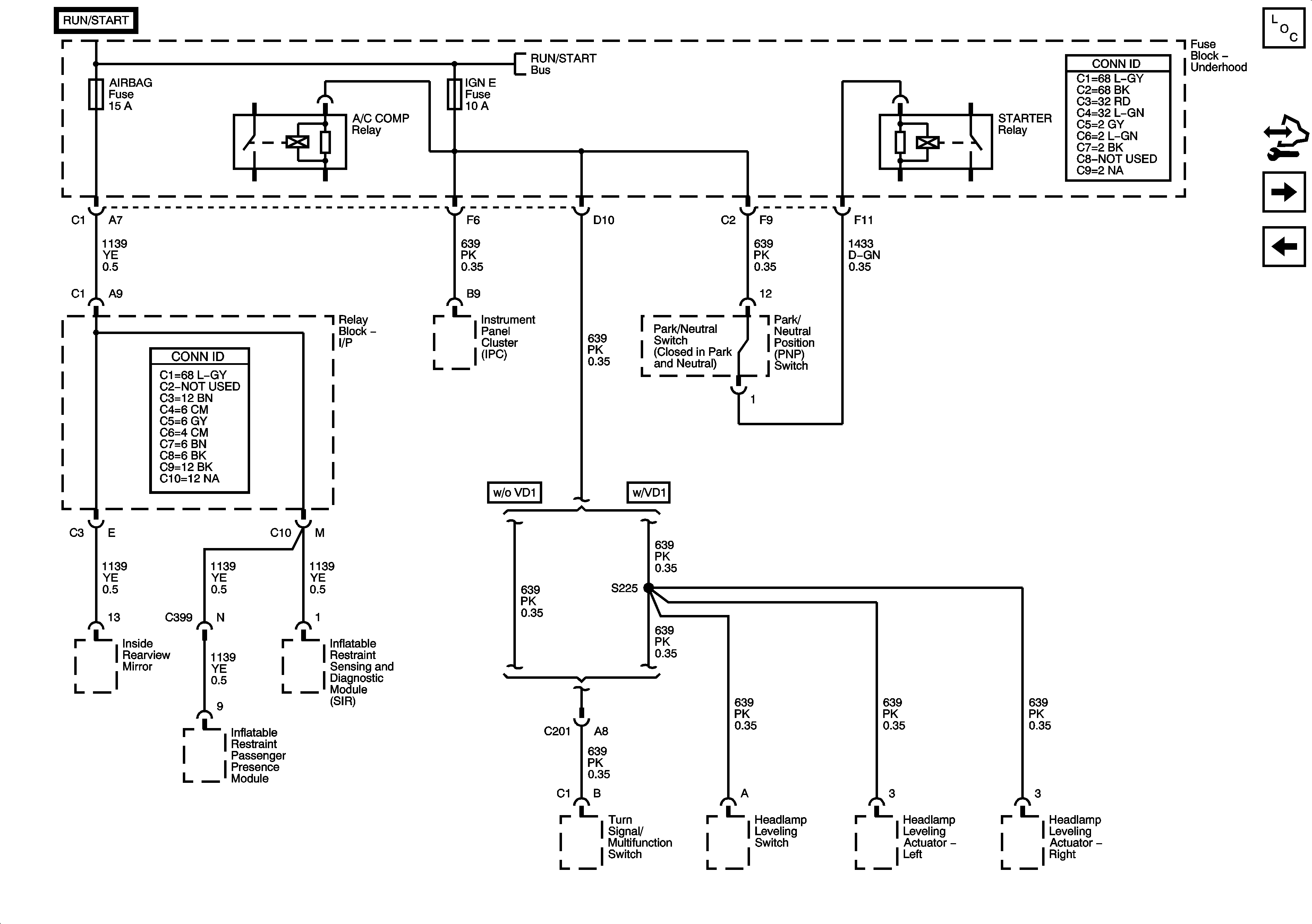
🢒 IGN E and SIR Fuses
IGN E and SIR Fuses
IGN E and SIR Fuses
Master Electrical Component List
Control Module References
IGN 1 Relay Bus - 1 of 2 - ETC/ECM, PCM I, and SBA Fuses - Complete; INJ 1 and INJ 2 Fuses - Except L18
BTSI, B/U LP, O2A, O2B, SEO IGN, TBC IGN 1, and TRL B/U Fuses
Ignition Switch - ACCY/RUN and RUN/START Busses, and IGN B Fuse