GM Service Manual Online
For 1990-2009 cars only
Makes
🢒
Cadillac
🢒
2005
🢒
Escalade EXT
🢒 Fuel Controls - EVAP Controls and Fuel Composition
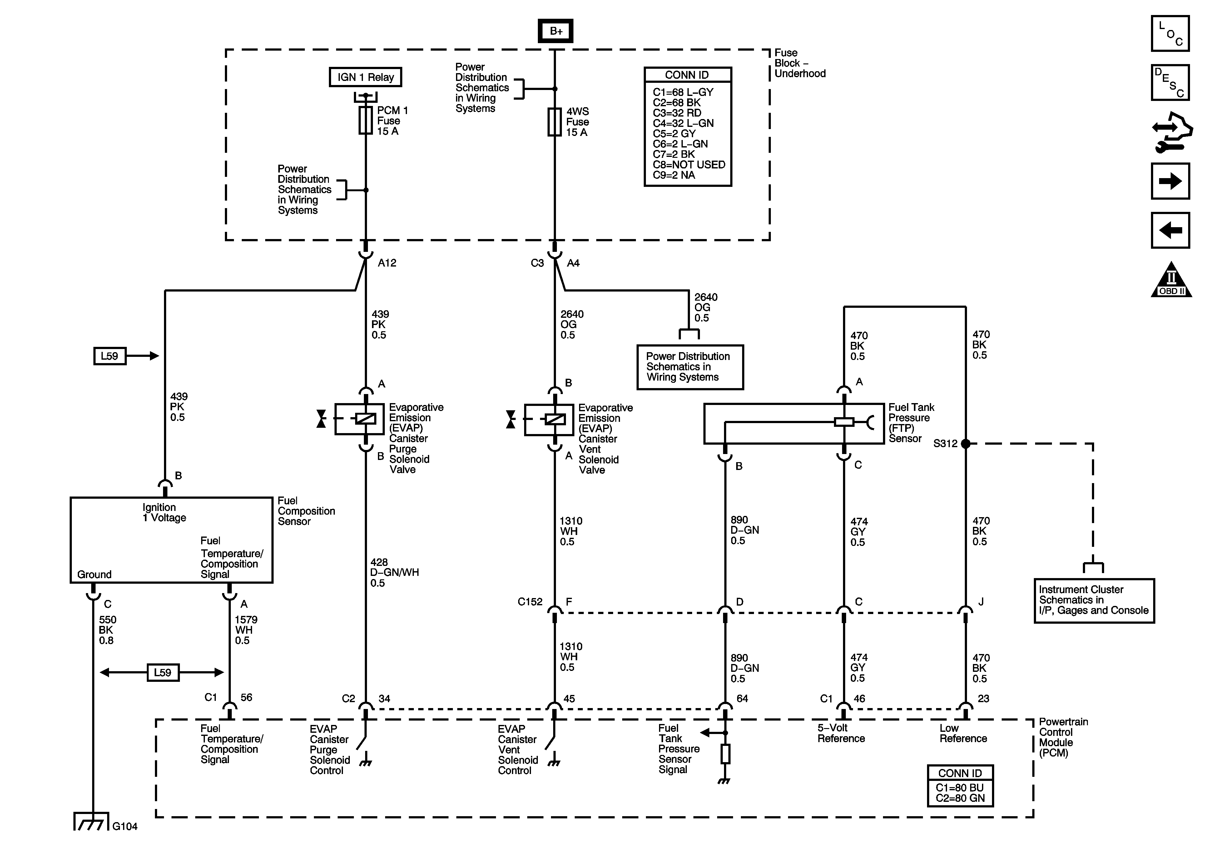
Fuel Controls - EVAP Controls and Fuel Composition
Fuel Controls - EVAP Controls and Fuel Composition
Master Electrical Component List
Evaporative Emission Control System Description
Control Module References
Transmission and Controlled/Monitored Subsystem References
Fuel Controls - Fuel Injectors
Engine Controls Schematic Icons
Power, Ground, Serial Data, and MIL
B+ Bus - 1 of 2
IGN 1 Relay Bus - 1 of 2 - ETC/ECM, PCM I, and SBA Fuses - Complete; INJ 1 and INJ 2 Fuses - Except L18
RR WPR, STOP LP, TREC, VEH CHMSL, VEH STOP, and 4WS Fuses
Fuel Gage
G104 and G107