GM Service Manual Online
For 1990-2009 cars only
Makes
🢒
Cadillac
🢒
2005
🢒
Escalade EXT
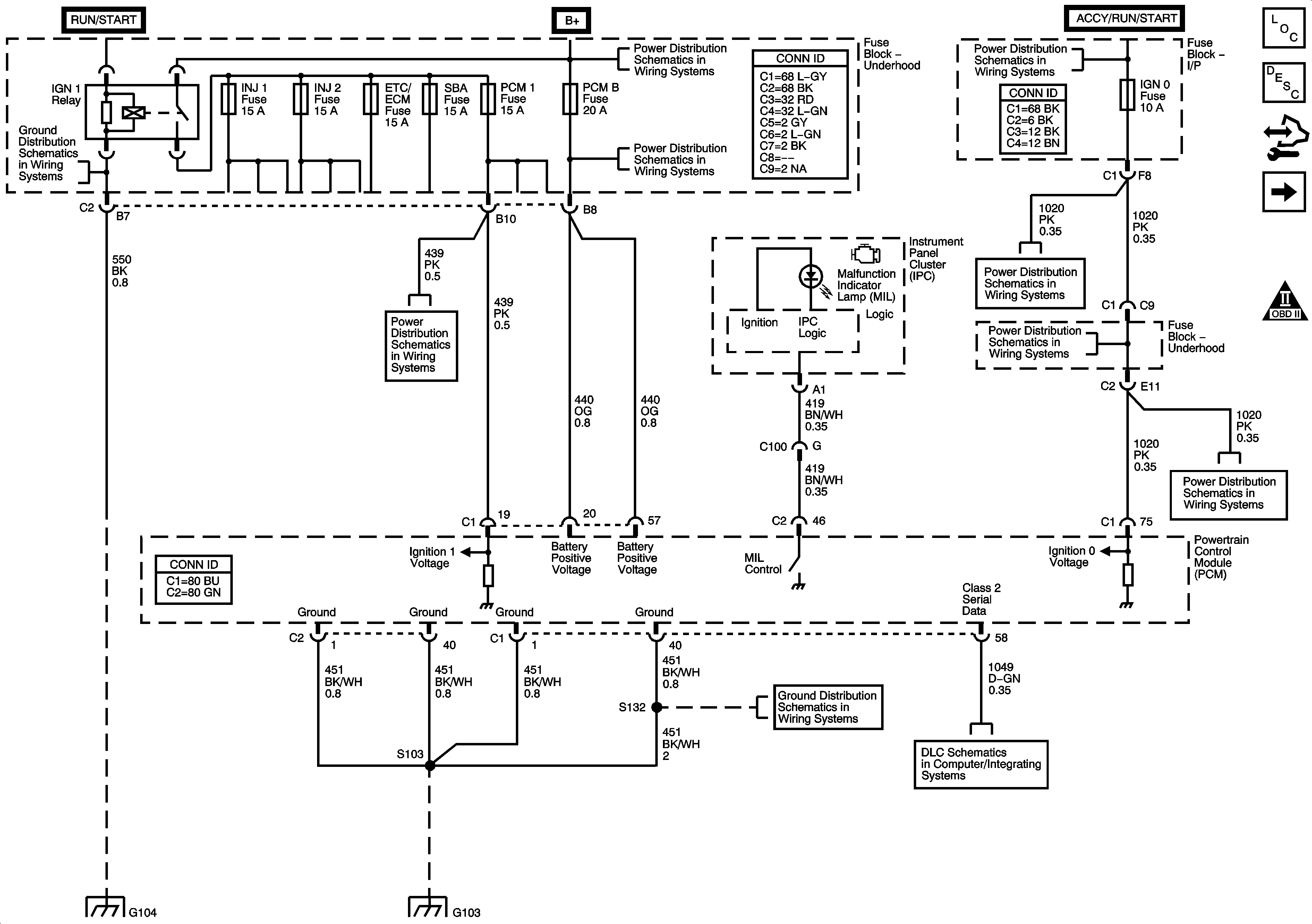
🢒 Module Power, Ground, Serial Data, and MIL
Module Power, Ground, Serial Data, and MIL
Module Power, Ground, Serial Data, and MIL
Master Electrical Component List
Powertrain Control Module Description
Control Module References
Engine Data Sensors - 5-Volt and Low Reference
Engine Controls Schematic Icons
G104 and G107
B+ Bus - 1 of 2
AUX PWR, AUX PWR 2, DDM, ECC, LBEC 2, LOCKS, PCM B, and PDM Fuses
Ignition Switch - ACCY/RUN/START, RUN, and START Busses, IGN A and CRANK Fuses
IGN 1 Relay Bus - 1 of 2 - ETC/ECM, PCM I, and SBA Fuses - Complete; INJ 1 and INJ 2 Fuses - Except L18
IGN 0, RR WPR, SEO ACCY, TBC ACCY, TBC IGN 0, and WS WPR Fuses
IGN 0, RR WPR, SEO ACCY, TBC ACCY, TBC IGN 0, and WS WPR Fuses
IGN 0, RR WPR, SEO ACCY, TBC ACCY, TBC IGN 0, and WS WPR Fuses
G104 and G107
G102 and G103
G102 and G103
Power, Ground, DLC, and Splice Pack SP205