GM Service Manual Online
For 1990-2009 cars only
Makes
🢒
Cadillac
🢒
2005
🢒
Escalade EXT
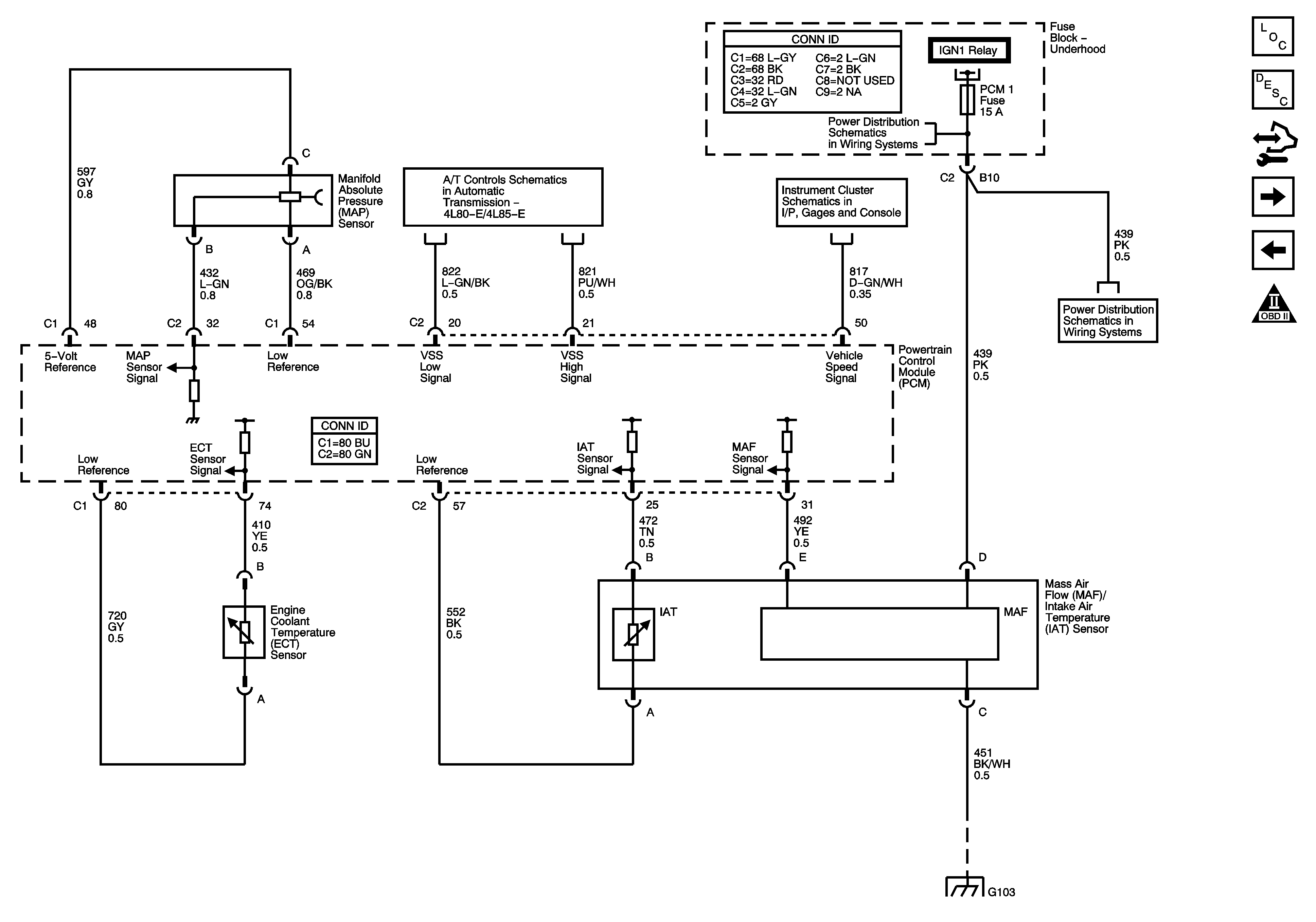
🢒 Engine Data Sensors - Pressure, Temperature, MAF, and VSS
Engine Data Sensors - Pressure, Temperature, MAF, and VSS
Engine Data Sensors - Pressure, Temperature, MAF, and VSS
Master Electrical Component List
Air Intake System Description
Control Module References
Engine Data Sensors - Oxygen Sensors
Engine Data Sensors - 5-Volt and Low Reference
Engine Controls Schematic Icons
Pressure Controls, Temperature, and VSS
Driver Information Center
IGN 1 Relay Bus - 1 of 2 - ETC/ECM, PCM I, and SBA Fuses - Complete; INJ 1 and INJ 2 Fuses - Except L18
Module Power, Ground, Serial Data, and MIL
IGN 1 Relay Bus - 1 of 2 - ETC/ECM, PCM I, and SBA Fuses - Complete; INJ 1 and INJ 2 Fuses - Except L18
G102 and G103