GM Service Manual Online
For 1990-2009 cars only
Makes
🢒
Cadillac
🢒
2005
🢒
Escalade EXT
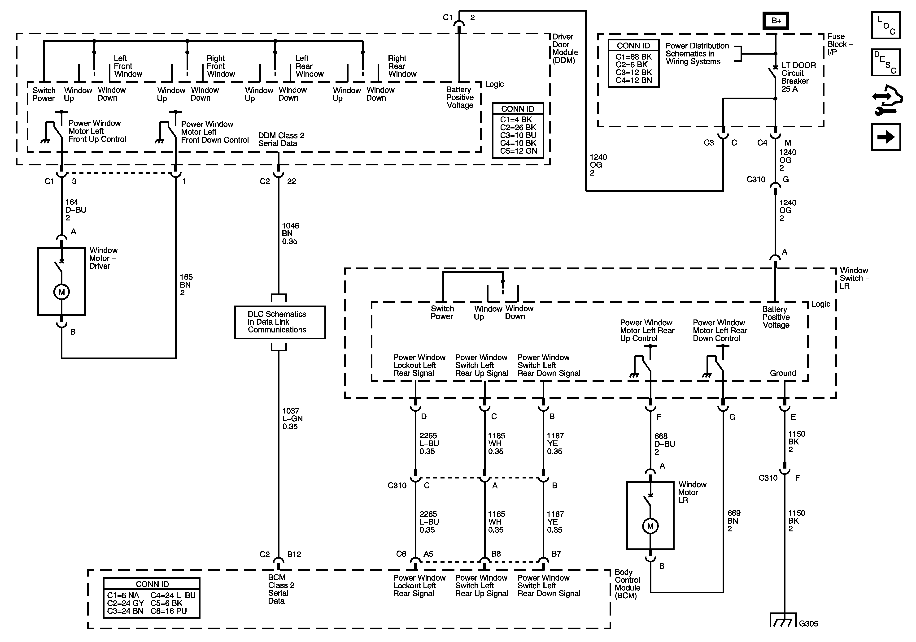
🢒 Left Doors
Left Doors
Left Doors
Master Electrical Component List
Power Windows Description and Operation
Control Module References
Right Doors
Power, Ground, DLC, and Splice Pack SP205
BLOWER, FLASH, HVAC/ECAS, LBEC 1, RR DEFOG, RR HVAC, TBC 2A, TBC 2B, and TBC 2C Fuses, and LT DOOR Breaker
G304 and G305