GM Service Manual Online
For 1990-2009 cars only
Makes
🢒
Cadillac
🢒
2005
🢒
Escalade EXT
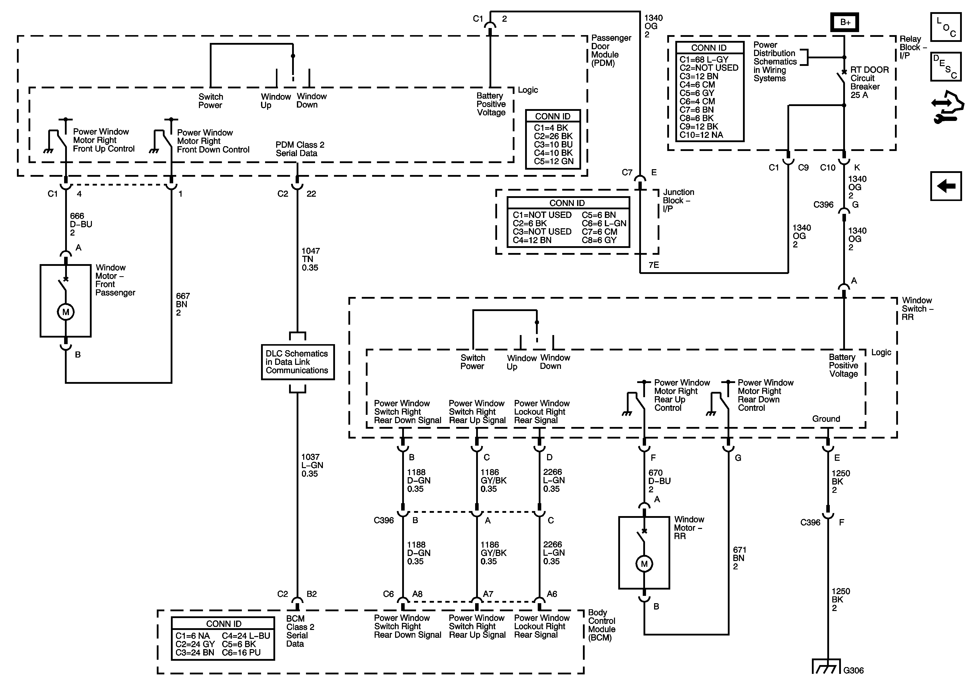
🢒 Right Doors
Right Doors
Right Doors
Master Electrical Component List
Power Windows Description and Operation
Control Module References
Left Doors
Power, Ground, DLC, and Splice Pack SP205
ABS, MBEC 1, RTD, STUD 2, and VSES/ECAS Fuses; RT DOORS and SEATS Circuit Breakers
G306