GM Service Manual Online
For 1990-2009 cars only
Makes
🢒
Cadillac
🢒
2005
🢒
Escalade EXT
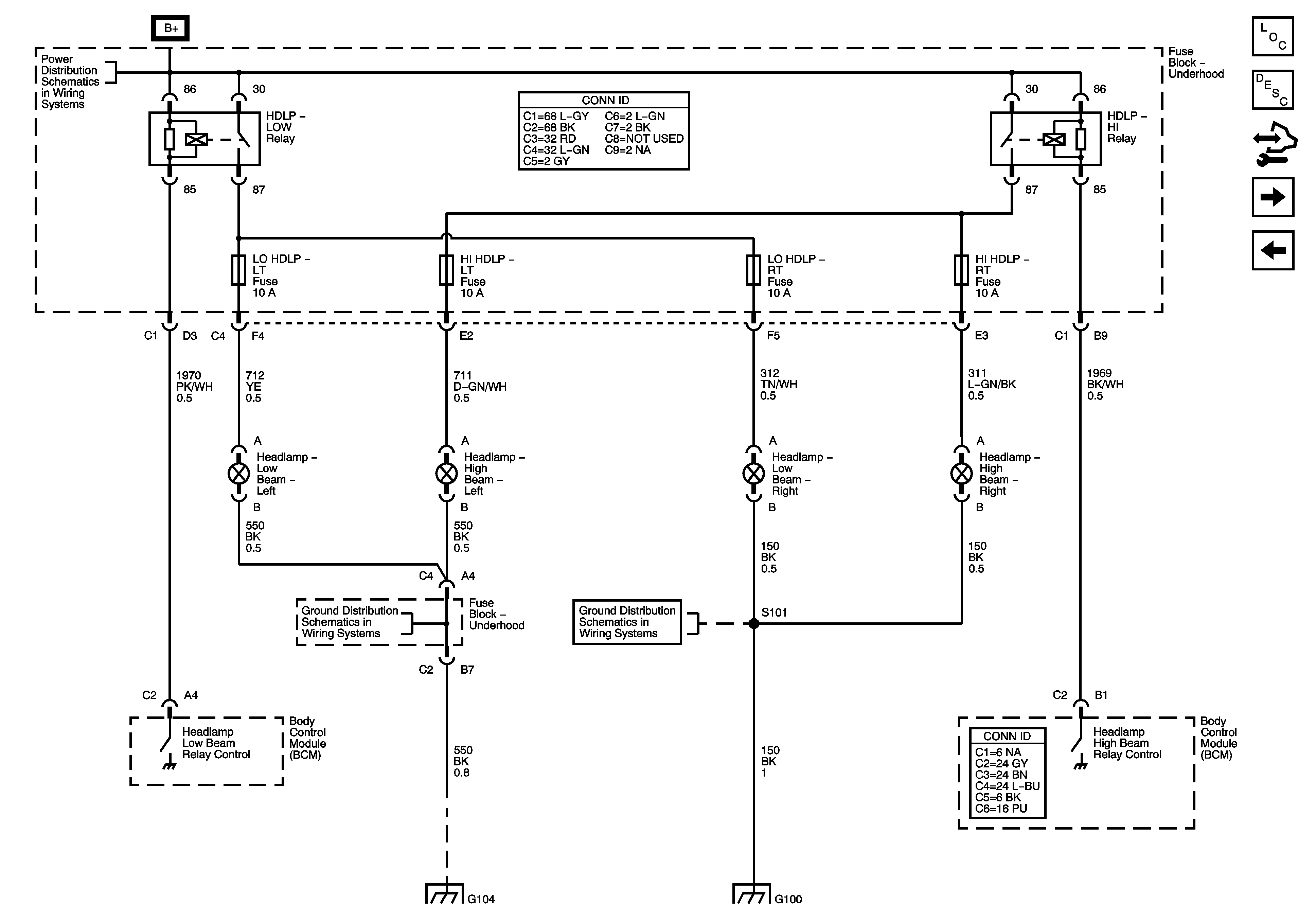
🢒 Headlights - w/o Z75
Headlights - w/o Z75
Headlamp -- Except Z75
Master Electrical Component List
Exterior Lighting Systems Description and Operation
Control Module References
Headlights w/Z75
Headlights/DRL Controls
B+ Bus - 1 of 2
G100 and G105 - 1 of 4
G100 and G105 - 2 of 4
G104 and G107
G104 and G107