GM Service Manual Online
For 1990-2009 cars only
Makes
🢒
Cadillac
🢒
2005
🢒
Escalade EXT
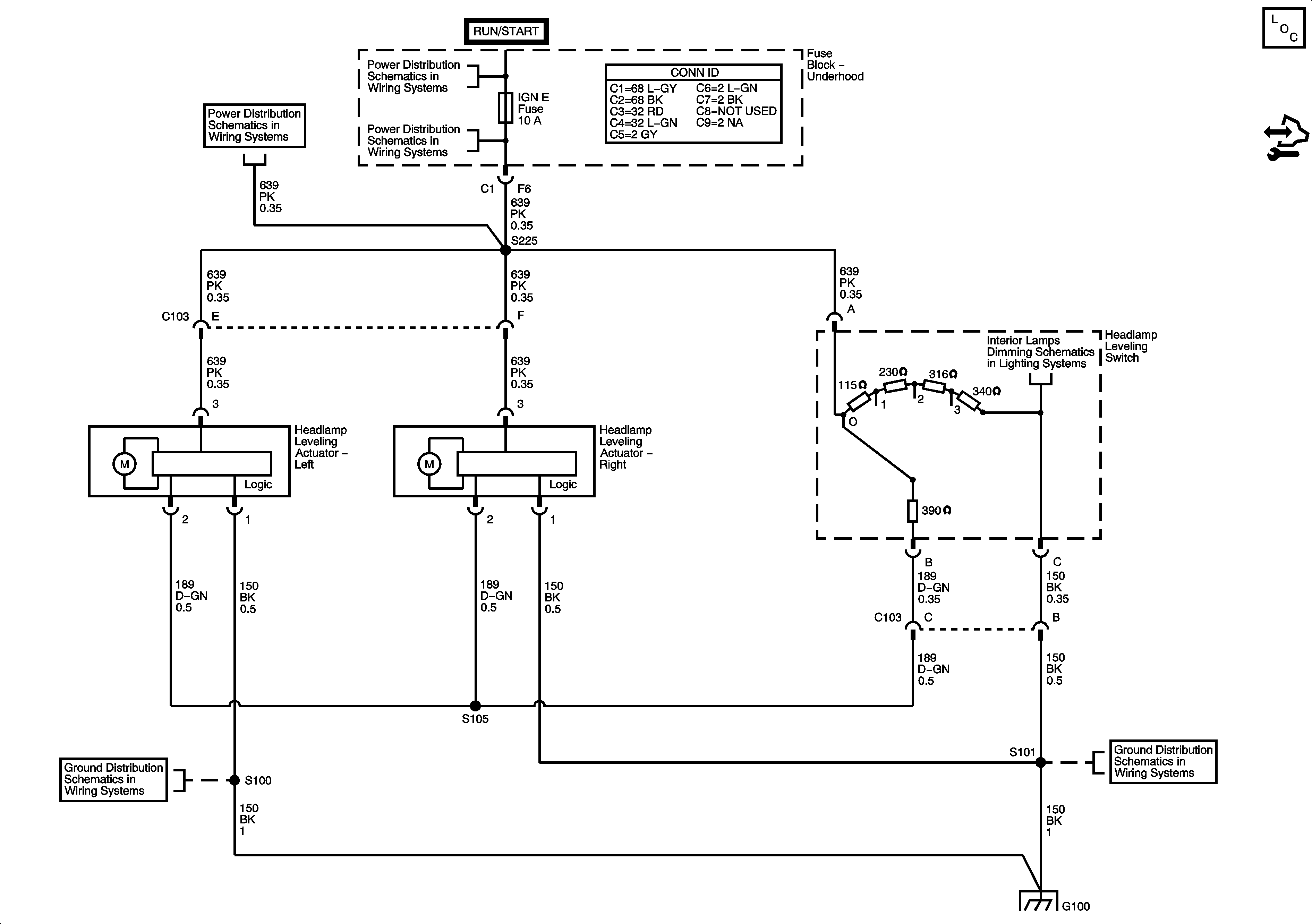
🢒 Headlight Leveling Schematics
Headlight Leveling Schematics
Master Electrical Component List
Control Module References
IGN E and SIR Fuses
Ignition Switch - ACCY/RUN and RUN/START Busses, and IGN B Fuse
IGN E and SIR Fuses
I/P Dimming Supply Voltage - 8 of 8
G100 and G105 - 4 of 4
G100 and G105 - 1 of 4
G100 and G105 - 3 of 4