GM Service Manual Online
For 1990-2009 cars only
Makes
🢒
Cadillac
🢒
2005
🢒
Escalade EXT
🢒 Interior Lamps - Suburban, Yukon XL, and Escalade ESV w/o ULT
Interior Lamps - Suburban, Yukon XL, and Escalade ESV w/o ULT
Interior Lamps - Suburban, Yukon XL, and Escalade ESV w/o ULT
Master Electrical Component List
Interior Lighting Systems Description and Operation
Control Module References
Interior Lamps - 3rd Row and Cargo - Escalade ESV w/ULT
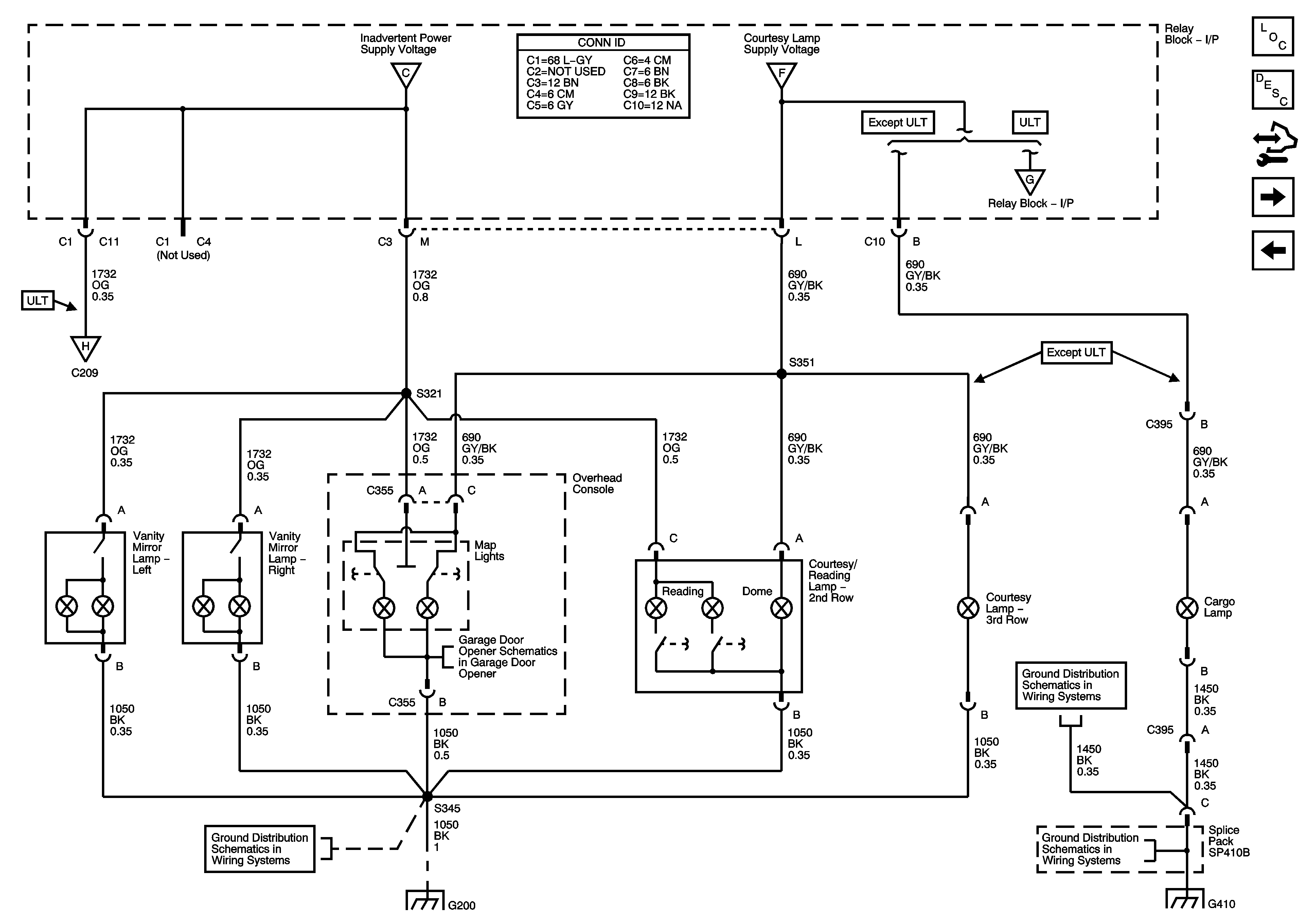
Interior Lamps - Avelanche and Escalade EXT
Interior Lamps - 3rd Row and Cargo - Escalade ESV w/ULT
Headlamp Switches, Courtesy Lamp, and Inadvertent Voltage Supplies
Headlamp Switches, Courtesy Lamp, and Inadvertent Voltage Supplies
Interior Lamps - 3rd Row and Cargo - Escalade ESV w/ULT
G410 1 of 3
G410 1 of 3
G410 1 of 3
I/P Dimming Supply Voltage - 6 of 8
G200 - 1 of 3
G200 - 3 of 3 - S345