GM Service Manual Online
For 1990-2009 cars only
Makes
🢒
Cadillac
🢒
2005
🢒
Escalade EXT
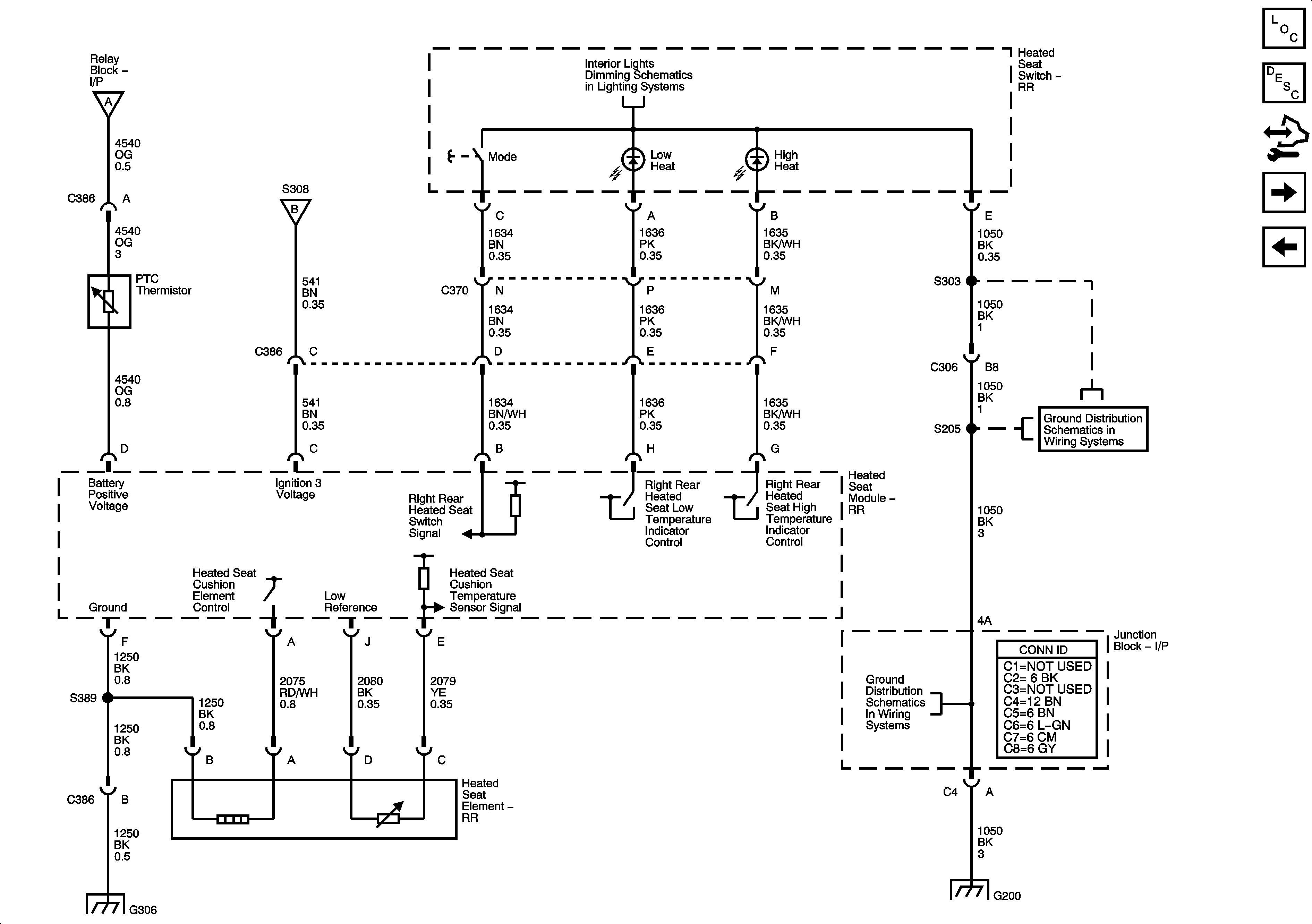
🢒 Rear Heated Seats - 3 of 3
Rear Heated Seats - 3 of 3
Rear Heated Seats 3 of 3
Master Electrical Component List
Control Module References
Left Rear (w/ULT) - 1 of 4
Rear Heated Seats - 2 of 3
Rear Heated Seats - 1 of 3
Rear Heated Seats - 1 of 3
I/P Dimming Supply Voltage - 5 of 8
G200 - 2 of 3
G200 - 1 of 3
G200 - 1 of 3
G306