GM Service Manual Online
For 1990-2009 cars only
Makes
🢒
Cadillac
🢒
2005
🢒
Escalade EXT
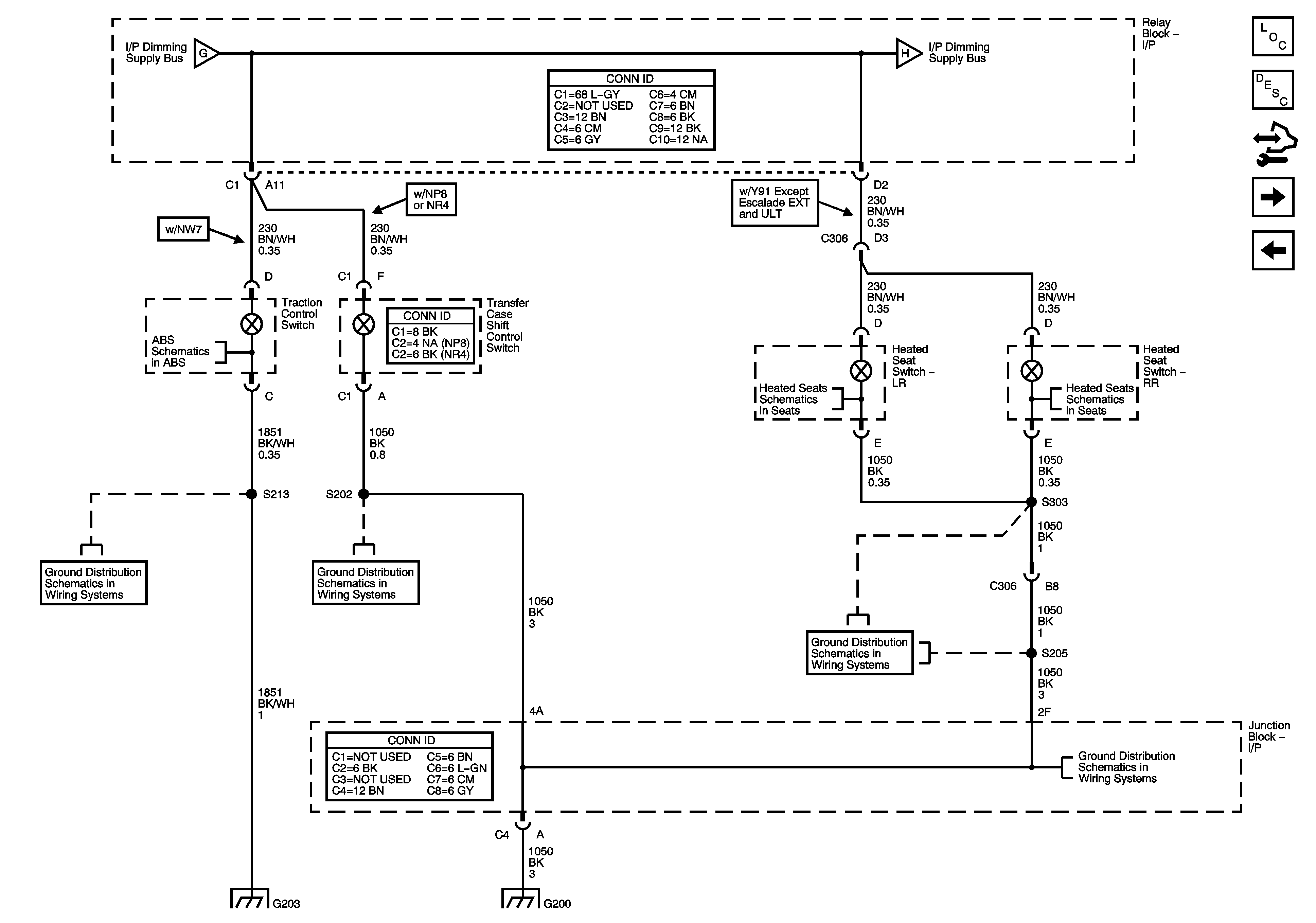
🢒 I/P Dimming Supply Voltage - 5 of 8
I/P Dimming Supply Voltage - 5 of 8
I/P Dimming Supply Voltage 5 of 8
Master Electrical Component List
Interior Lighting Systems Description and Operation
Control Module References
I/P Dimming Supply Voltage - 6 of 8
I/P Dimming Supply Voltage - 4 of 8
Stop Lamp Switch and Traction Control Switch - w/o JL4
I/P Dimming Supply Voltage - 4 of 8
Rear Heated Seats - 1 of 3
I/P Dimming Supply Voltage - 6 of 8
Rear Heated Seats - 3 of 3
G200 - 2 of 3
G200 - 1 of 3
G200 - 1 of 3
G200 - 1 of 3
G203 - 1 of 3
G203 - 1 of 3