GM Service Manual Online
For 1990-2009 cars only
Makes
🢒
Cadillac
🢒
2005
🢒
Escalade EXT
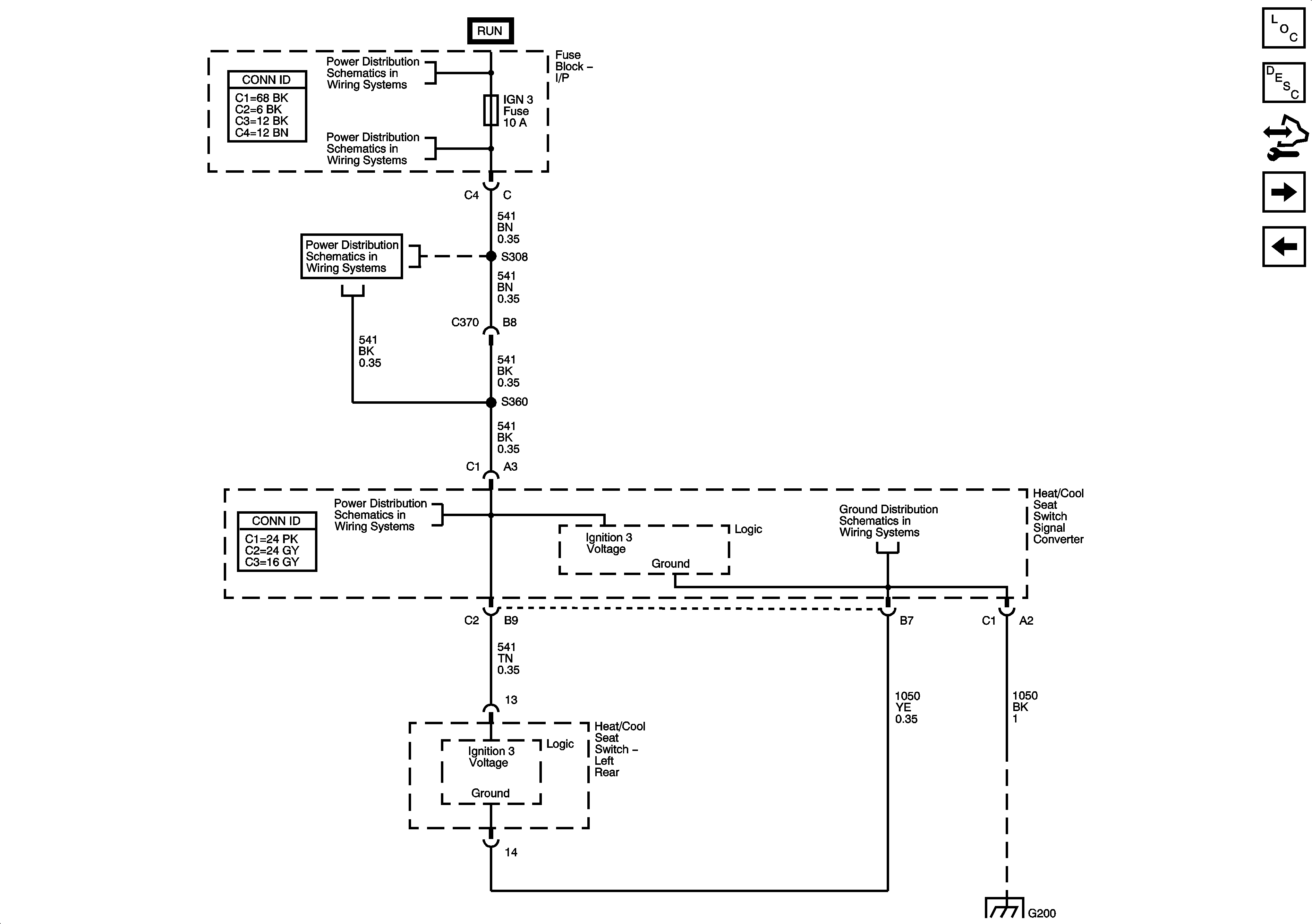
🢒 Left Rear (w/ULT) - 2 of 4
Left Rear (w/ULT) - 2 of 4
Left Rear w/ULT 2 of 4
Master Electrical Component List
Heated/Cooled Seats Description and Operation
Control Module References
Left Rear (w/ULT) - 3 of 4
Left Rear (w/ULT) - 1 of 4
Ignition Switch - ACCY/RUN/START, RUN, and START Busses, IGN A and CRANK Fuses
IGN 3 Fuse - 1 of 2
IGN 3 Fuse (ULT) - 2 of 2
IGN 3 Fuse (ULT) - 2 of 2
G200 - 2 of 3
G200 - 2 of 3