GM Service Manual Online
For 1990-2009 cars only
Makes
🢒
Cadillac
🢒
2005
🢒
Escalade EXT
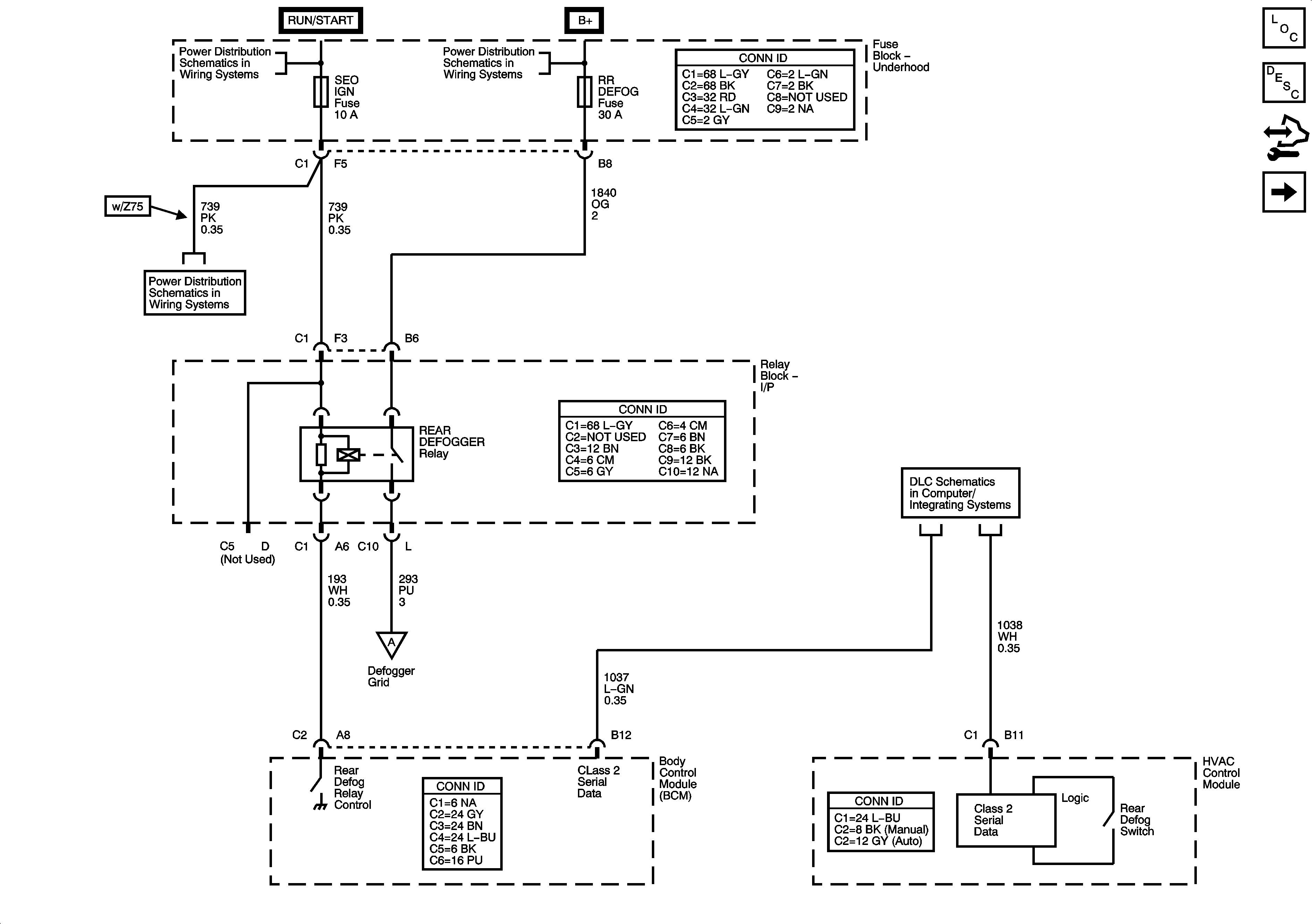
🢒 Rear Window Defogger Controls
Rear Window Defogger Controls
Rear Window Defogger Controls
Master Electrical Component List
Rear Window Defogger Description and Operation
Control Module References
Defogger Grid and Control
BTSI, B/U LP, O2A, O2B, SEO IGN, TBC IGN 1, and TRL B/U Fuses
Ignition Switch - ACCY/RUN and RUN/START Busses, and IGN B Fuse
B+ Bus - 1 of 2
Power, Ground, DLC, and Splice Pack SP205
Defogger Grid and Control