GM Service Manual Online
For 1990-2009 cars only
Makes
🢒
Cadillac
🢒
2005
🢒
Escalade EXT
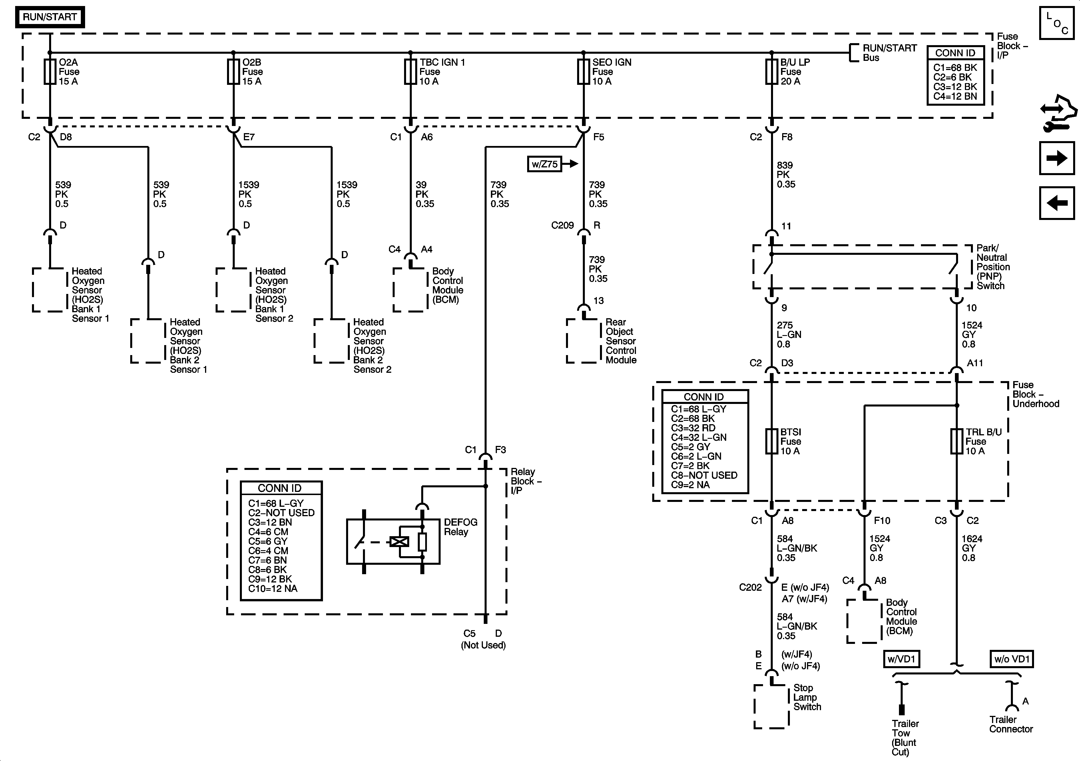
🢒 BTSI, B/U LP, O2A, O2B, SEO IGN, TBC IGN 1, and TRL B/U Fuses
BTSI, B/U LP, O2A, O2B, SEO IGN, TBC IGN 1, and TRL B/U Fuses
BTSI, B/U LP, O2A, O2B, SEO IGN, TBC IGN 1, and TRL B/U Fuses
Master Electrical Component List
Control Module References
IGN E and SIR Fuses
IGN 3 Fuse (ULT) - 2 of 2
Ignition Switch - ACCY/RUN and RUN/START Busses, and IGN B Fuse