GM Service Manual Online
For 1990-2009 cars only
Makes
🢒
Cadillac
🢒
2005
🢒
Escalade EXT
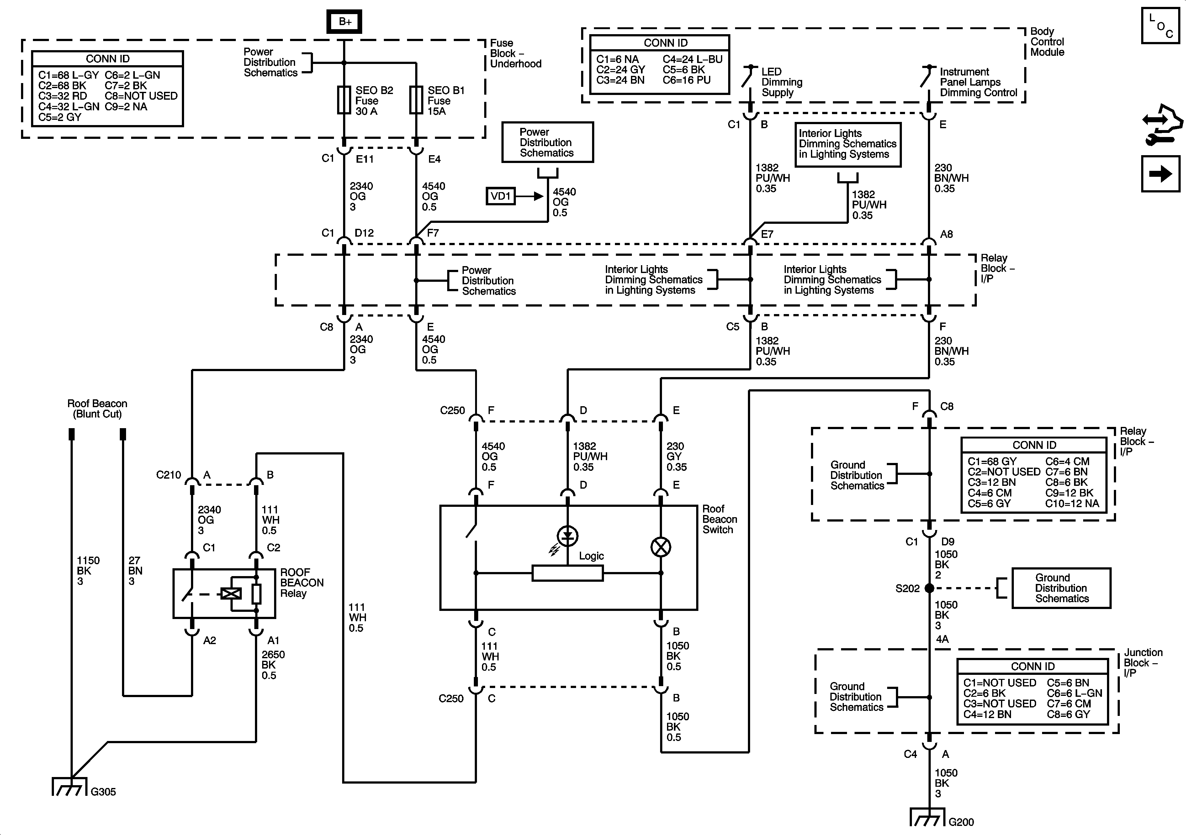
🢒 Roof Beacon Wiring (5G4)
Roof Beacon Wiring (5G4)
Roof Beacon Wiring - 5G4
Master Electrical Component List
Control Module References
Mobile Radio Power (9L4)
IPC/DIC, LH HID, RH HID, SEO B1, SEO B2, and TBC BATT Fuses
IPC/DIC, LH HID, RH HID, SEO B1, SEO B2, and TBC BATT Fuses
IPC/DIC, LH HID, RH HID, SEO B1, SEO B2, and TBC BATT Fuses
Dimming Control and LED DImming Supply Voltage - 1 of 2
Dimming Control and LED DImming Supply Voltage - 1 of 2
I/P Dimming Supply Voltage - 6 of 8
G200 - 3 of 3 - S345
G200 - 1 of 3
G200 - 1 of 3
G200 - 1 of 3
G304 and G305