GM Service Manual Online
For 1990-2009 cars only
Makes
🢒
Cadillac
🢒
2005
🢒
Escalade EXT
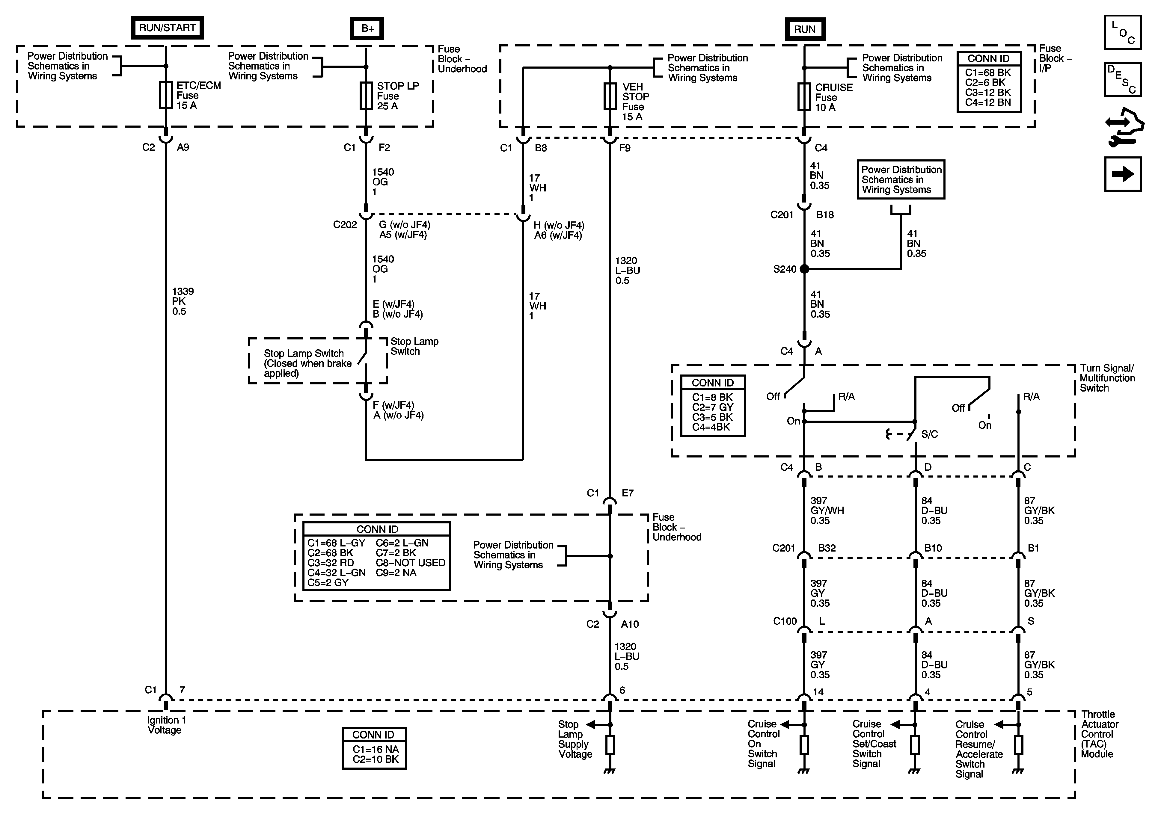
🢒 Power, Cruise Control Switch, and Stop Lamp Feed
Power, Cruise Control Switch, and Stop Lamp Feed
Power, Cruise Control Switch, and Stop Lamp Feed
Master Electrical Component List
Cruise Control Description and Operation
Control Module References
Ground and Class 2 Serial Data
IGN 1 Relay Bus - 1 of 2 - ETC/ECM, PCM I, and SBA Fuses - Complete; INJ 1 and INJ 2 Fuses - Except L18
RR WPR, STOP LP, TREC, VEH CHMSL, VEH STOP, and 4WS Fuses
RR WPR, STOP LP, TREC, VEH CHMSL, VEH STOP, and 4WS Fuses
Ignition Switch - ACCY/RUN/START, RUN, and START Busses, IGN A and CRANK Fuses
BRAKE, CRUISE, IGN 2, HTR/AC, HVAC 1, and 4WD Fuses
RR WPR, STOP LP, TREC, VEH CHMSL, VEH STOP, and 4WS Fuses