GM Service Manual Online
For 1990-2009 cars only
Makes
🢒
Cadillac
🢒
2005
🢒
Escalade EXT
🢒 Vehicle Theft Deterrent
Vehicle Theft Deterrent
Vehicle Theft Deterrent
Master Electrical Component List
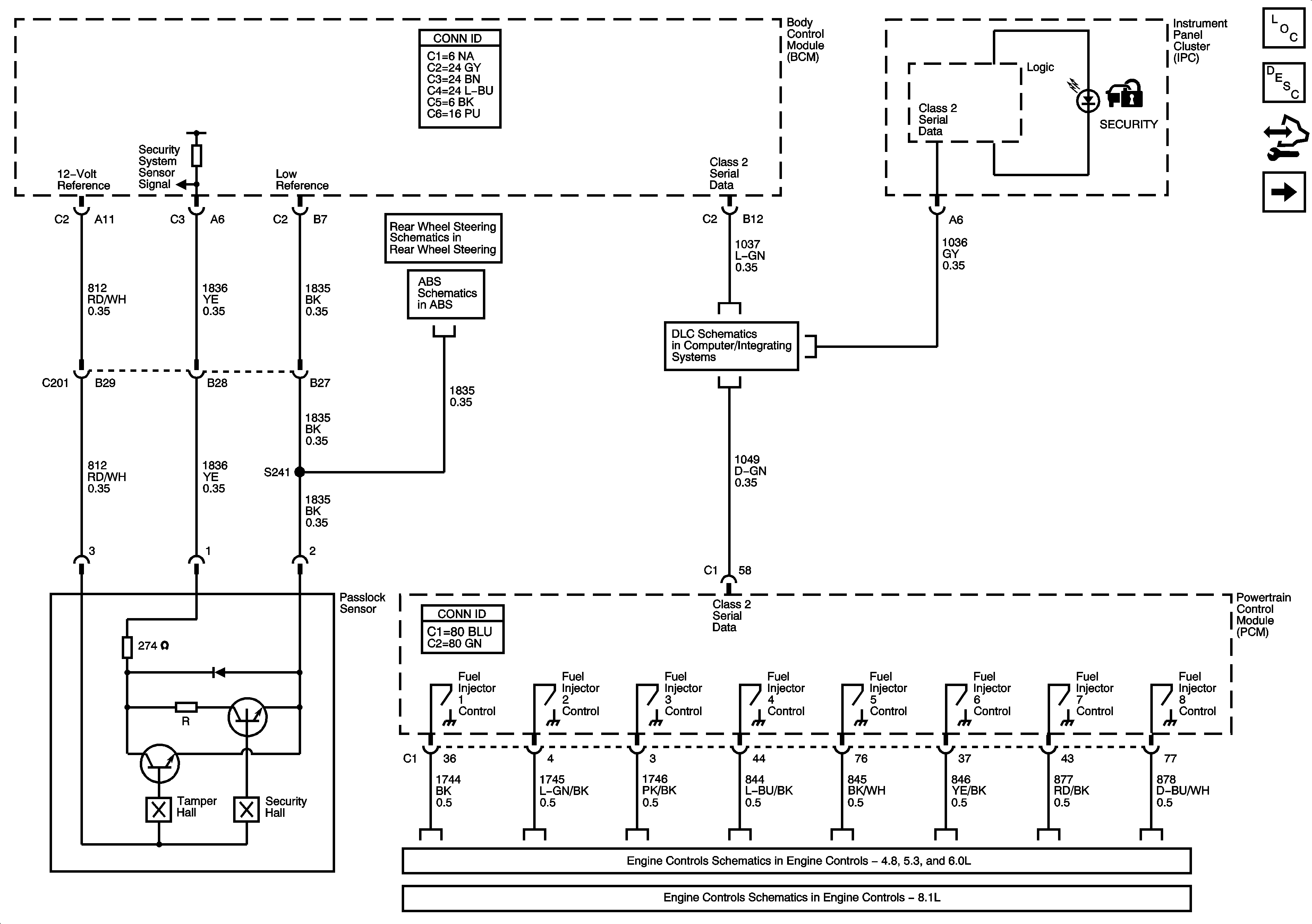
Vehicle Theft Deterrent (VTD) Description and Operation
Control Module References
Content Theft Deterrent - 1 of 2
Steering Wheel Speed/Position Sensor
Steering Wheel Speed/Position Sensor Inputs - w/JL4
Power, Ground, DLC, and Splice Pack SP205
Fuel Controls - Fuel Injectors
Fuel Controls - Fuel Injectors