GM Service Manual Online
For 1990-2009 cars only
Makes
🢒
Cadillac
🢒
2005
🢒
Escalade EXT
🢒 Content Theft Deterrent - 1 of 2
Content Theft Deterrent - 1 of 2
Content Theft Deterrent -- 1 of 2
Master Electrical Component List
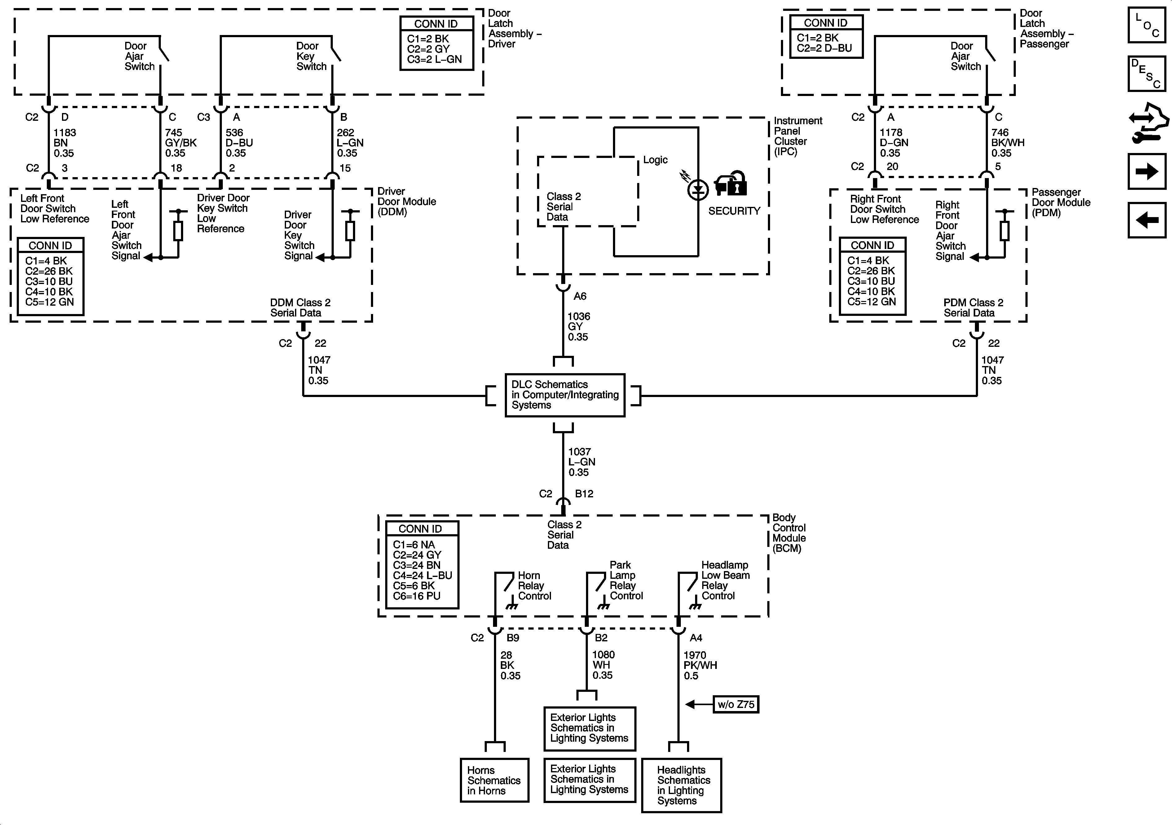
Content Theft Deterrent (CTD) Description and Operation
Control Module References
Content Theft Deterrent - 2 of 2
Vehicle Theft Deterrent
Power, Ground, DLC, and Splice Pack SP205
Headlights - w/o Z75
Park Lamp Relay - w/o VD1
Park Lamp Relay - w/VD1
Horns Schematics