GM Service Manual Online
For 1990-2009 cars only
Makes
🢒
Cadillac
🢒
2005
🢒
Escalade EXT
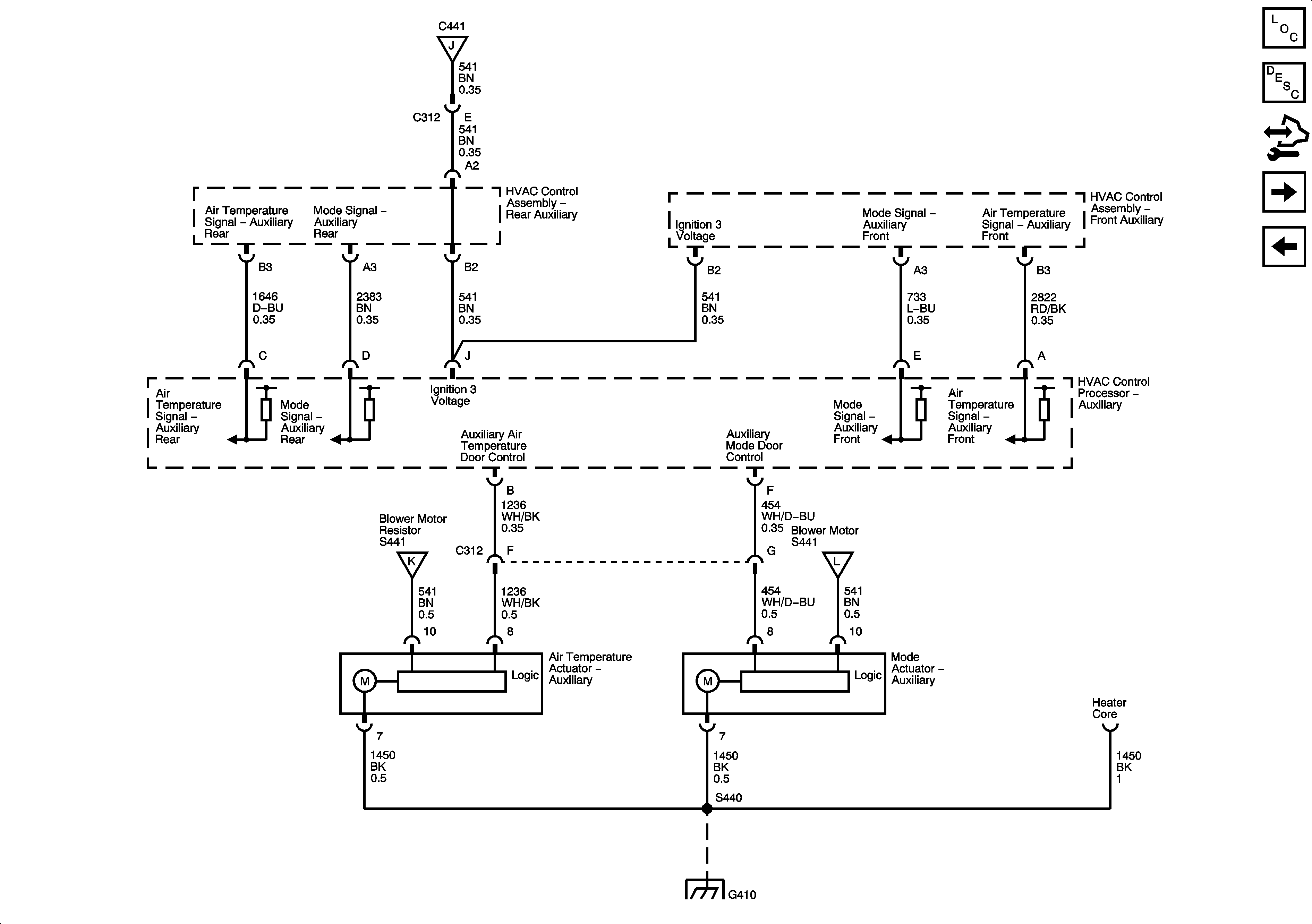
🢒 200Auxiliary HVAC, Short Wheelbase w/C36 and C69 - 2 of 2
200Auxiliary HVAC, Short Wheelbase w/C36 and C69 - 2 of 2
Auxiliary HVAC, Short Wheelbase w/C36 and C69 -- 2 of 2
Master Electrical Component List
Master Electrical Component List
Air Delivery Description and Operation
Control Module References
2005 CK800 UtilAuxiliary Blower Control - Short Wheelbase w/C69
Auxiliary HVAC, Short Wheelbase w/C36 and C69 - 1 of 2
Auxiliary HVAC, Short Wheelbase w/C36 and C69 - 1 of 2
Auxiliary HVAC, Short Wheelbase w/C36 and C69 - 1 of 2
G410 1 of 3
Auxiliary HVAC, Short Wheelbase w/C36 and C69 - 1 of 2