GM Service Manual Online
For 1990-2009 cars only
Makes
🢒
Cadillac
🢒
2005
🢒
Escalade EXT
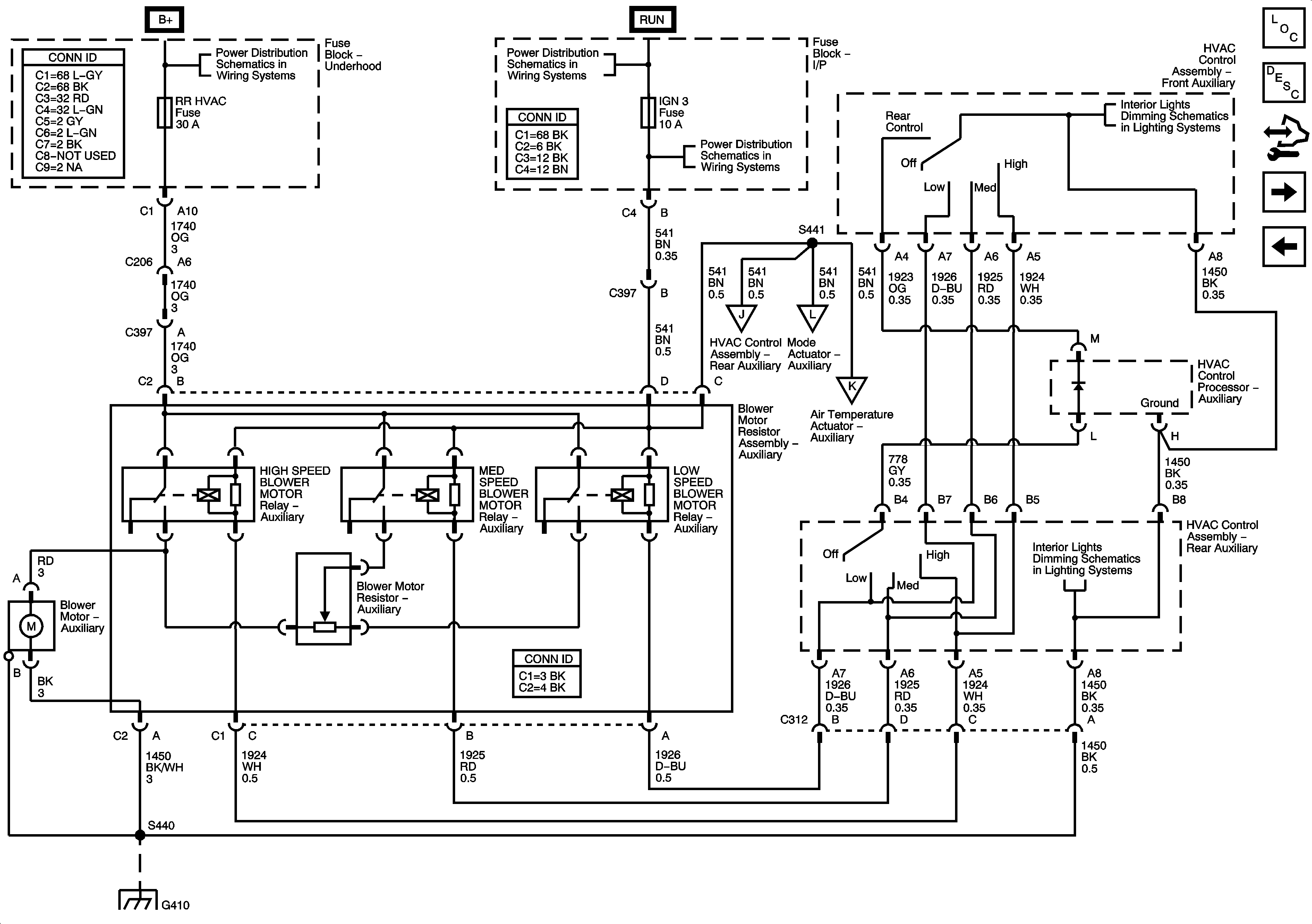
🢒 Auxiliary HVAC, Short Wheelbase w/C36 and C69 - 1 of 2
Auxiliary HVAC, Short Wheelbase w/C36 and C69 - 1 of 2
Auxiliary HVAC, Short Wheelbase w/C36 and C69 -- 1 of 2
Master Electrical Component List
Air Delivery Description and Operation
Control Module References
200Auxiliary HVAC, Short Wheelbase w/C36 and C69 - 2 of 2
Auxiliary Blower Control - Long Wheelbase w/ C69
B+ Bus - 1 of 2
Ignition Switch - ACCY/RUN/START, RUN, and START Busses, IGN A and CRANK Fuses
IGN 3 Fuse - 1 of 2
200Auxiliary HVAC, Short Wheelbase w/C36 and C69 - 2 of 2
I/P Dimming Supply Voltage - 7 of 8
I/P Dimming Supply Voltage - 7 of 8
G410 1 of 3