GM Service Manual Online
For 1990-2009 cars only
Makes
🢒
Cadillac
🢒
2005
🢒
Escalade EXT
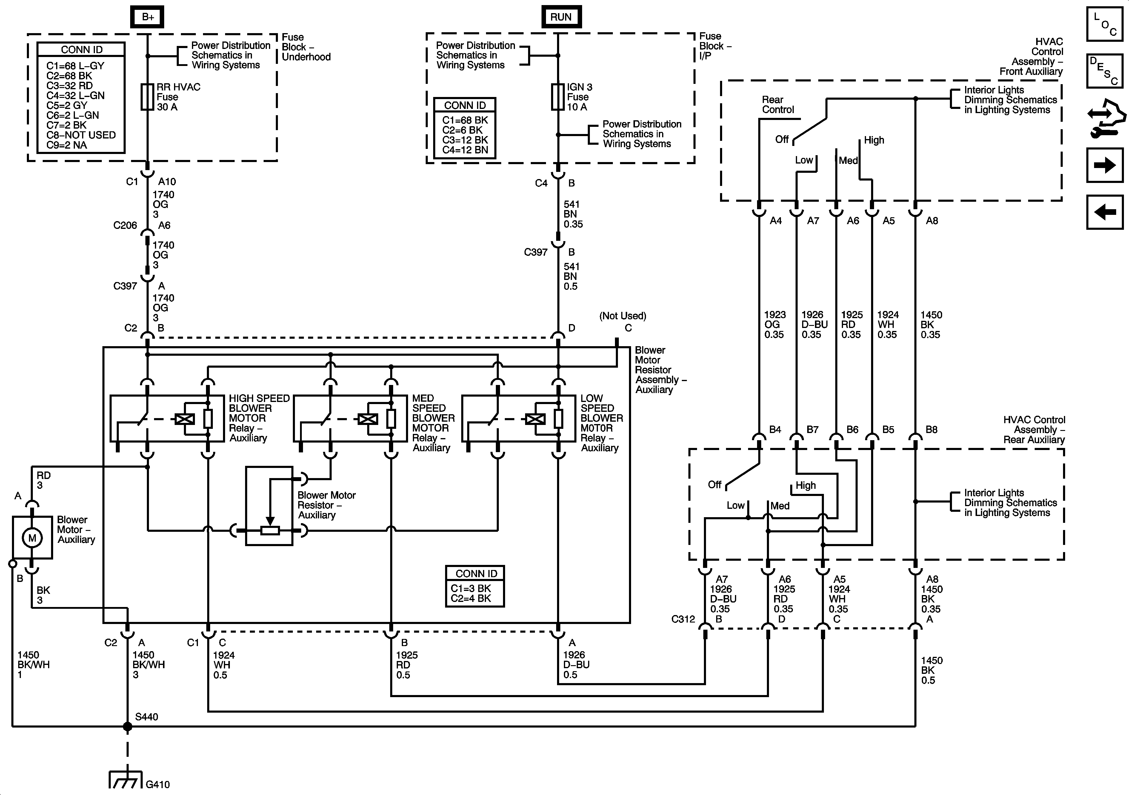
🢒 2005 CK800 UtilAuxiliary Blower Control - Short Wheelbase w/C69
2005 CK800 UtilAuxiliary Blower Control - Short Wheelbase w/C69
Auxiliary Blower Control -- Short Wheelbase w/C69 Only
Master Electrical Component List
Air Delivery Description and Operation
Control Module References
A/C Compressor Control
200Auxiliary HVAC, Short Wheelbase w/C36 and C69 - 2 of 2
BLOWER, FLASH, HVAC/ECAS, LBEC 1, RR DEFOG, RR HVAC, TBC 2A, TBC 2B, and TBC 2C Fuses, and LT DOOR Breaker
Ignition Switch - ACCY/RUN/START, RUN, and START Busses, IGN A and CRANK Fuses
IGN 3 Fuse - 1 of 2
I/P Dimming Supply Voltage - 7 of 8
I/P Dimming Supply Voltage - 7 of 8
G410 3 of 3 Aux. HVAC Short Wheelbase