GM Service Manual Online
For 1990-2009 cars only
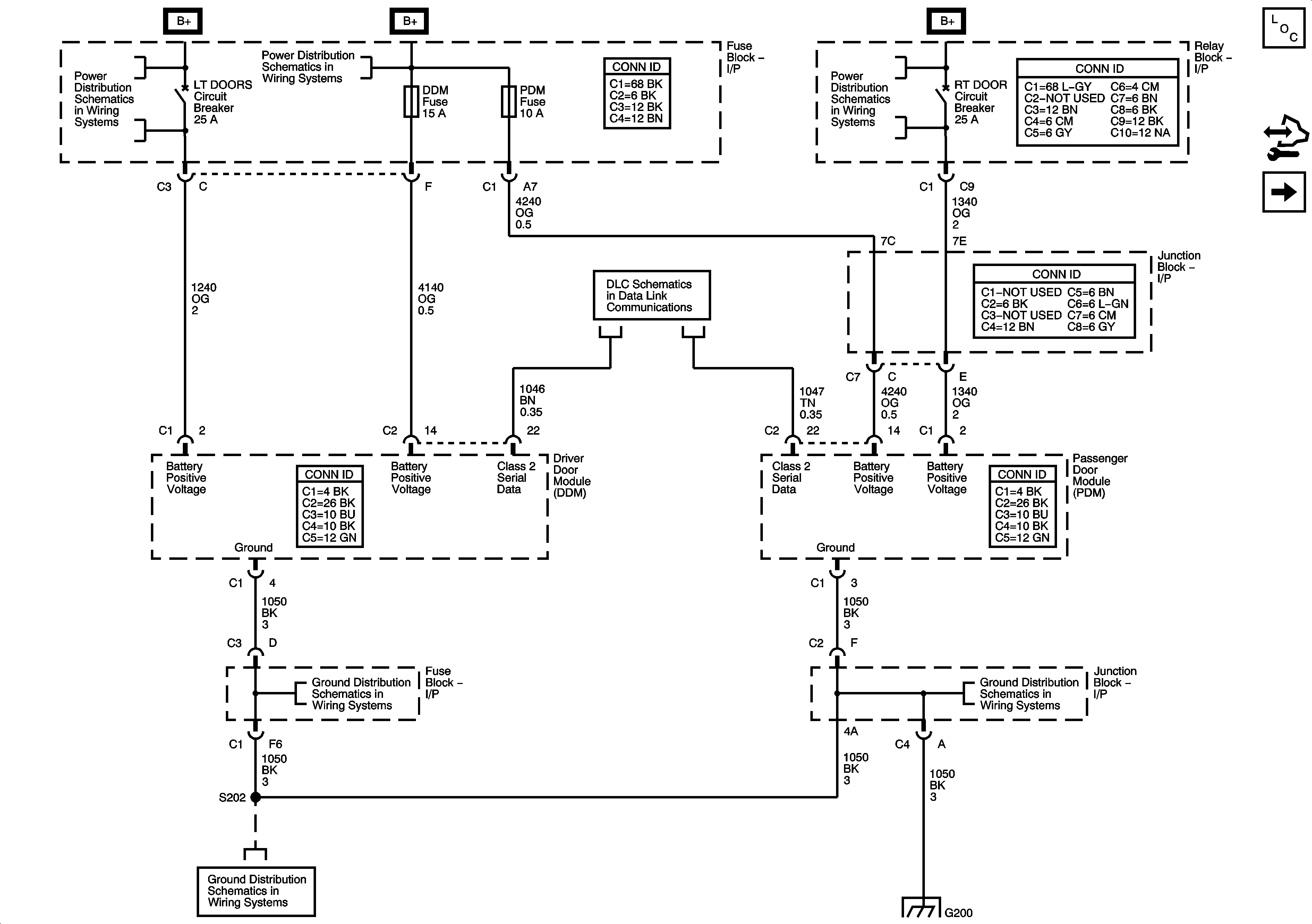
Figure 1:

Power, Ground, and Serial Data


Object Number: 1608116  Size: FS
Master Electrical Component List
Control Module References
Driver Door Module References - 1 or 2
B+ Bus
DDM, INFO, LBEC 1, LBEC 2, LGATE, LOCKS, PDM, TBC 2A, TBC 2B, and TBC 2C Fuses and LEFT DOOR and MIDGATE Circuit Breakers
Ignition Switch - ACCY/RUN/START, RUN and START Bus Bars, and CRANK and IGN A Fuses
Ignition Switch - ACCY/RUN/START, RUN and START Bus Bars, and CRANK and IGN A Fuses
ABS, BLOWER, MBEC, STUD 1, STUD 2, and VSES/ECAS Fuses and RT DOORS and SEATS Circuit Breakers
Power, Ground, Data Link Connector, and SP205
G200
G200
G200
G200
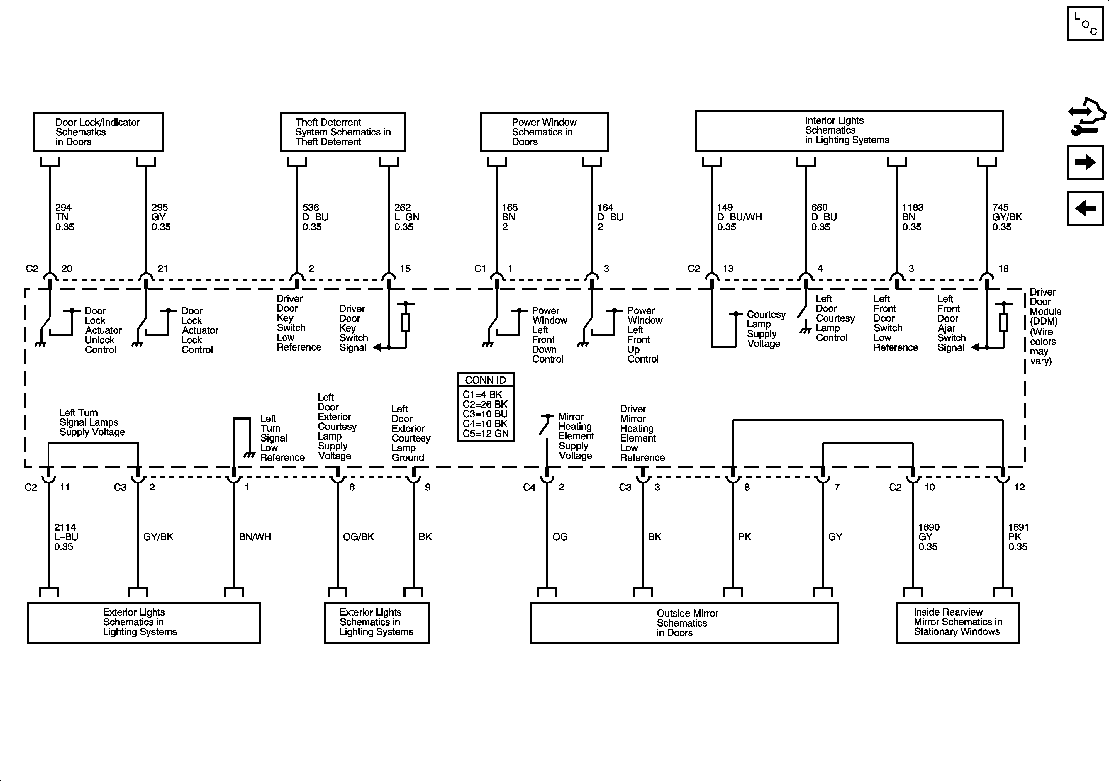
Figure 2:

Driver Door Module References 1 of 2


Object Number: 1608117  Size: FS
Master Electrical Component List
Control Module References
Driver Door Module References - 2 or 2
Power, Ground, and Serial Data
Door Lock/Indicator Schematics
Content Theft Deterrent
Front Door Windows
Interior Light Controls, BCM, and Door Ajar Switches
Outside Rearview Mirror Schematics
Inside Rearview Mirror Schematics
Figure 3:

Driver Door Module References 2 of 2


Object Number: 1608118  Size: FS
Master Electrical Component List
Control Module References
Passenger Door Module References - 1 or 2
Driver Door Module References - 1 or 2
Heat
Outside Rearview Mirror Schematics
Heat
Figure 4:

Passenger Door Module References 1 of 2


Object Number: 1608119  Size: FS
Master Electrical Component List
Control Module References
Passenger Door Module References - 2 or 2
Driver Door Module References - 2 or 2
Heat
Instrument Panel Dimming - 5 of 5 and LED Dimming - 2 of 2
Outside Rearview Mirror Schematics
Heat
Figure 5:

Passenger Door Module References 2 of 2


Object Number: 1608121  Size: FS
Master Electrical Component List
Control Module References
Power, Ground, and Serial Data
Door Lock/Indicator Schematics
Power Window Schematics
Outside Rearview Mirror Schematics