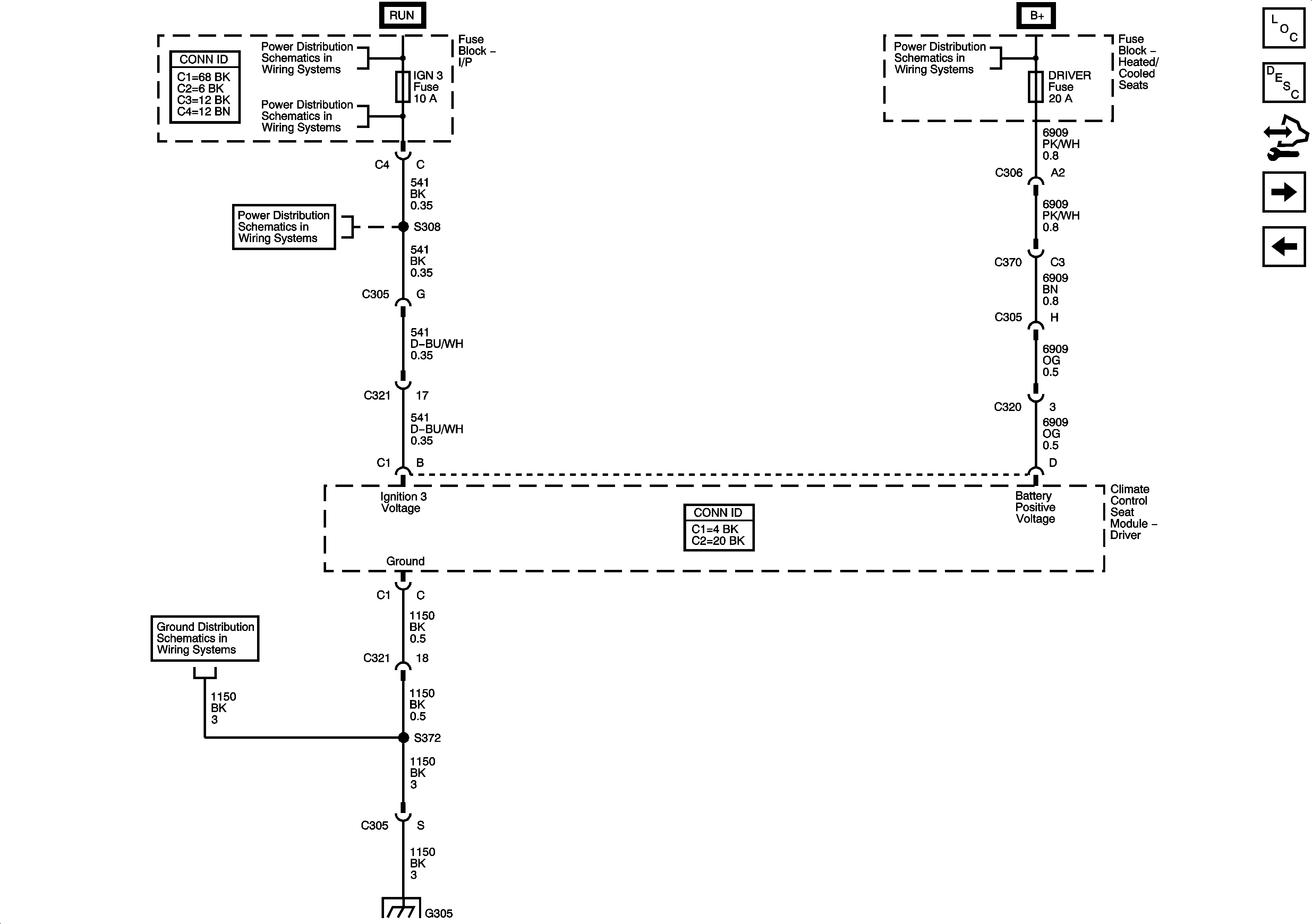
| Figure 1: |
Controls (AG2)
|
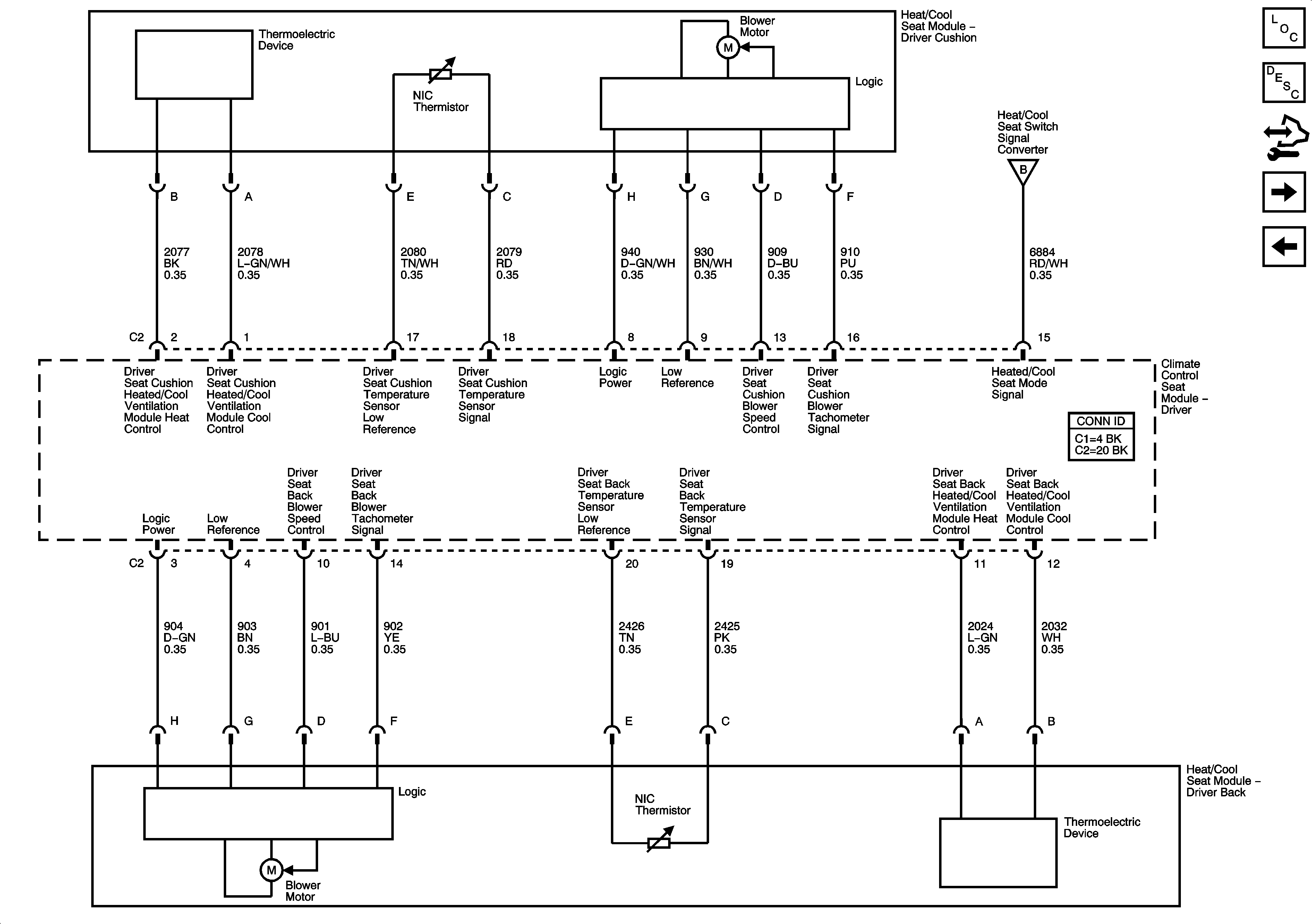
| Figure 2: |
Heated Seat Controls - Except ULT
|
| Figure 3: |
Heat Controls (AN3 w/ULT) 1 of 4
|
| Figure 4: |
Heat Controls (AN3 w/ULT) 2 of 4
|
| Figure 5: |
Heat Controls (AN3 w/ULT) 3 of 4
|
| Figure 6: |
Heat Controls (AN3 w/ULT) 4 of 4
|
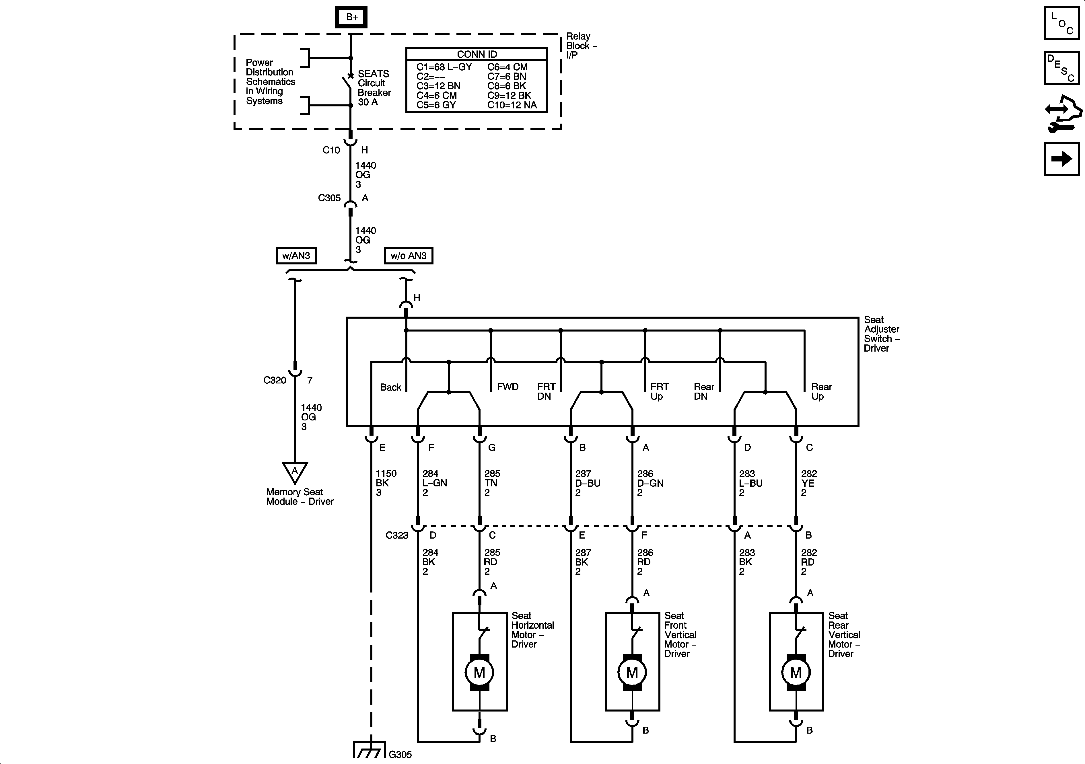
| Figure 7: |
Seat Adjuster Switch
|
| Figure 8: |
Lumbar/Bolster Switch
|
| Figure 9: |
Seat Motors
|
| Figure 10: |
Seat Position Sensors 1 of 2
|
| Figure 11: |
Seat Position Sensors 2 of 2
|