GM Service Manual Online
For 1990-2009 cars only
Makes
🢒
Cadillac
🢒
2006
🢒
Escalade EXT
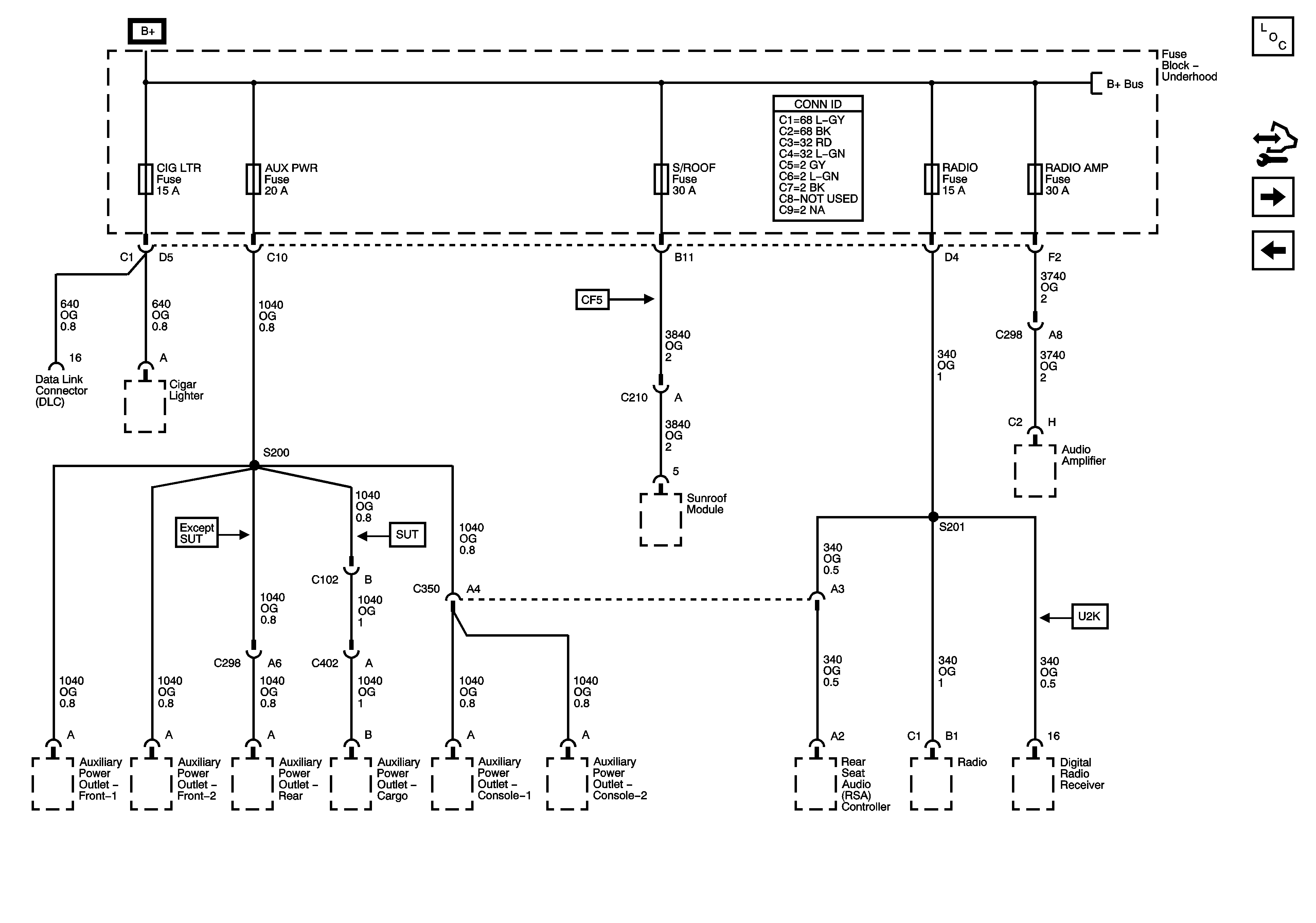
🢒 AUX PWR, CIG LTR, RADIO, RADIO AMP, and SUNROOF Fuses
AUX PWR, CIG LTR, RADIO, RADIO AMP, and SUNROOF Fuses
AUX PWR, CIG LTR, RADIO, RADIO AMP, and SUNROOF Fuses
Master Electrical Component List
Control Module References
FRT PARK, LR PARK, RR PARK, and TRL PARK Fuses
HVAC/ECAS, IPC/DIC, PCM B, SEO B1, SEO B2, TBC BATT, and TREC Fuses
B+ Bus
B+ Bus