GM Service Manual Online
For 1990-2009 cars only
Makes
🢒
Cadillac
🢒
2006
🢒
Escalade EXT
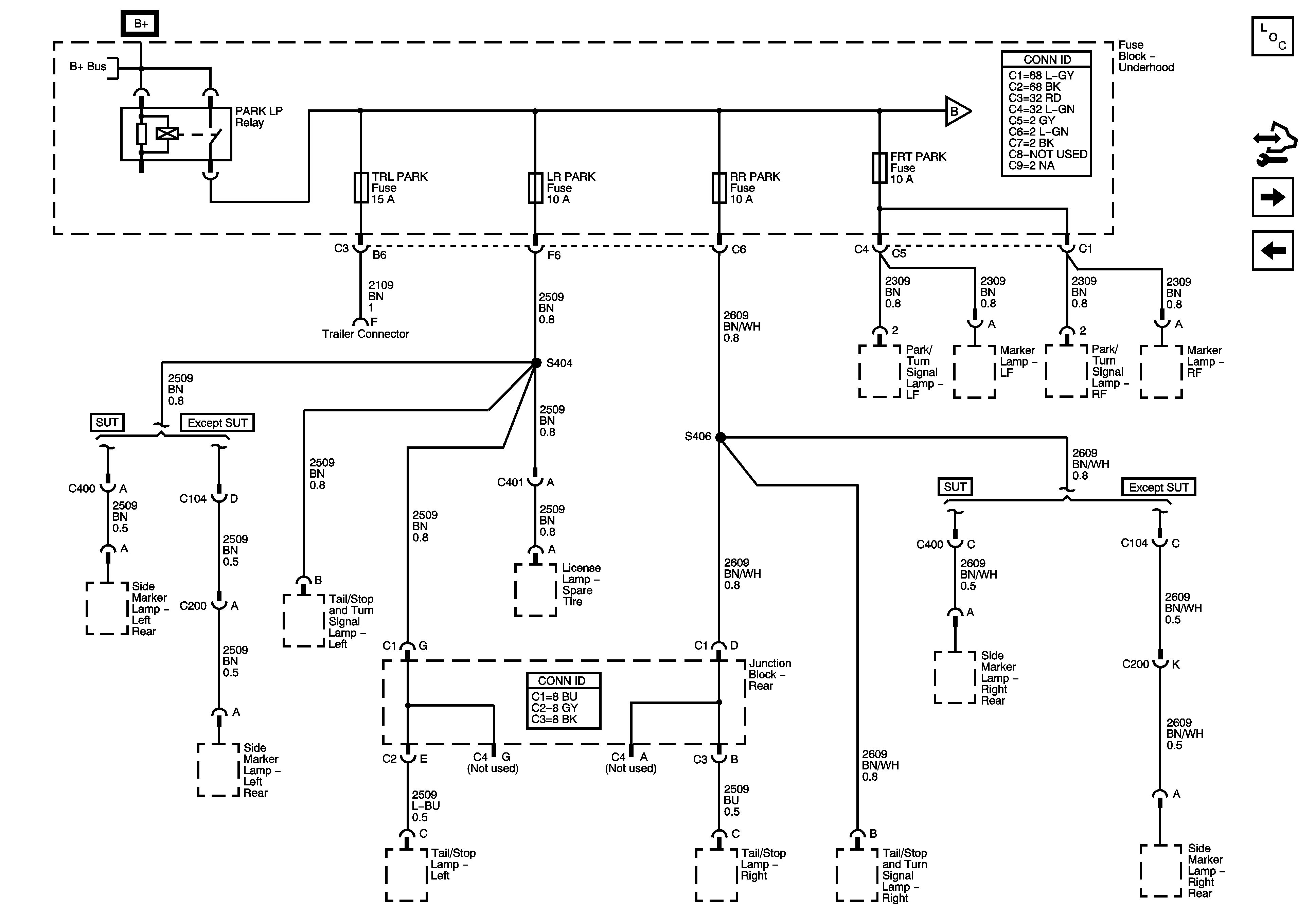
🢒 FRT PARK, LR PARK, RR PARK, and TRL PARK Fuses
FRT PARK, LR PARK, RR PARK, and TRL PARK Fuses
FRT PARK, LR PARK, RR PARK, and TRL PARK Fuses
Master Electrical Component List
Control Module References
INT PARK Fuse
AUX PWR, CIG LTR, RADIO, RADIO AMP, and SUNROOF Fuses
B+ Bus
B+ Bus
Trailer Lighting Provisions
INT PARK Fuse