GM Service Manual Online
For 1990-2009 cars only
Makes
🢒
Cadillac
🢒
2006
🢒
Escalade EXT
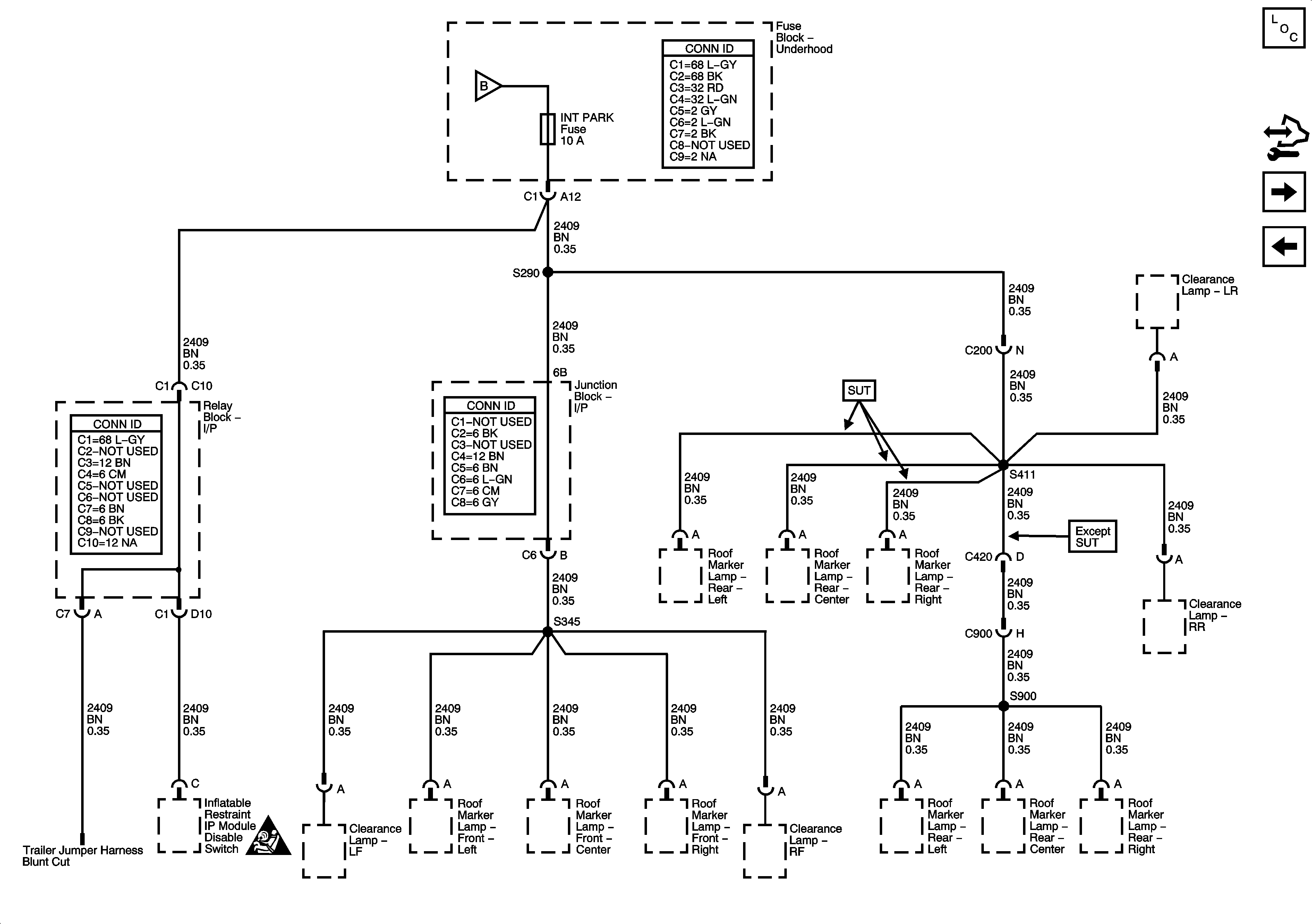
🢒 INT PARK Fuse
INT PARK Fuse
INT PARK Fuse
Master Electrical Component List
Control Module References
Ignition Switch - ACCY/RUN/START, RUN and START Bus Bars, and CRANK and IGN A Fuses
FRT PARK, LR PARK, RR PARK, and TRL PARK Fuses
FRT PARK, LR PARK, RR PARK, and TRL PARK Fuses
SIR Schematic Icons