GM Service Manual Online
For 1990-2009 cars only
Makes
🢒
Cadillac
🢒
2006
🢒
Escalade EXT
🢒 Tail Lamps, Rear Marker, and License Lamps
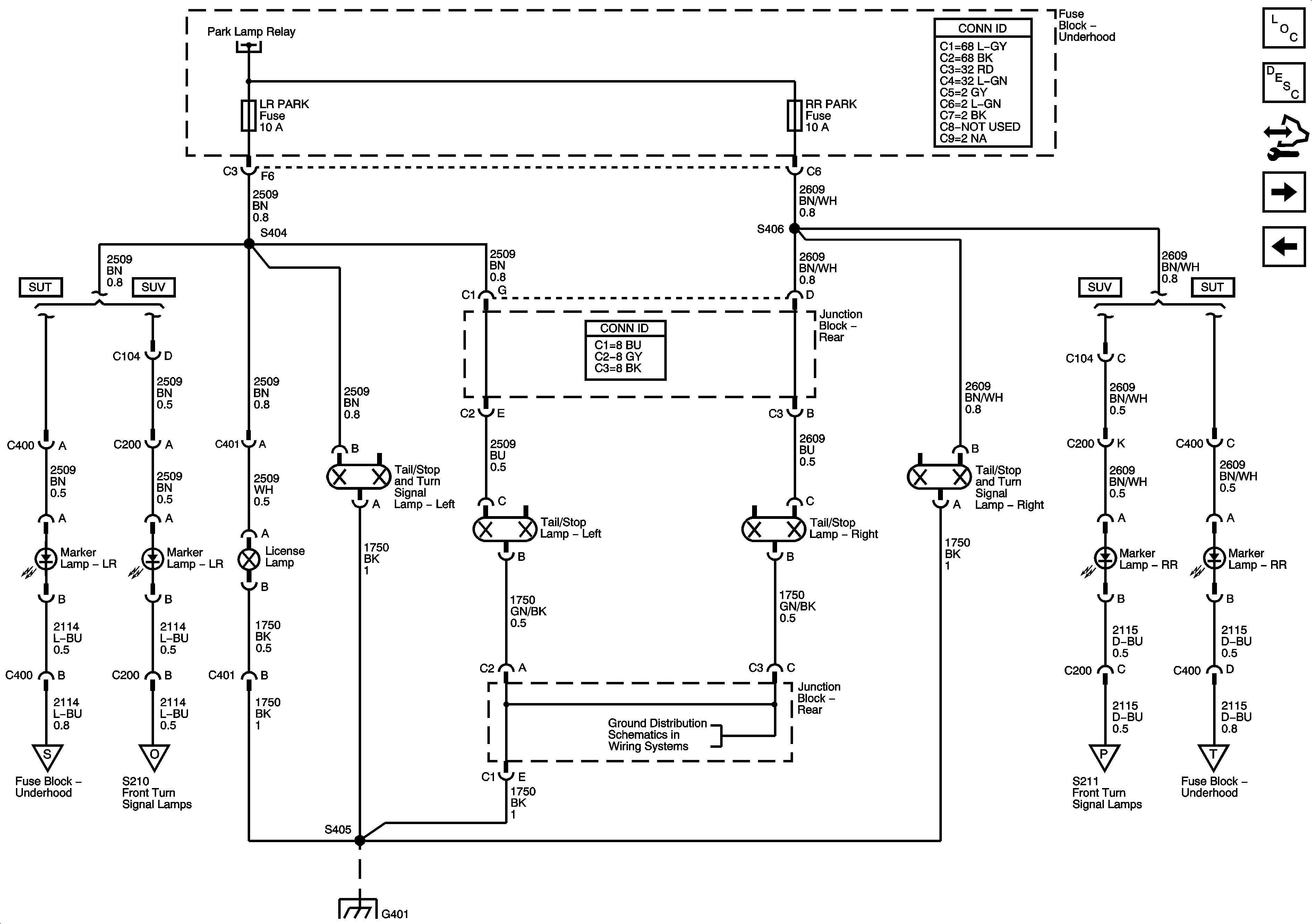
Tail Lamps, Rear Marker, and License Lamps
Tail Lamps, Rear Marker, and License Lamps
Master Electrical Component List
Exterior Lighting Systems Description and Operation
Control Module References
Roof Lamps - Front
Park Lamp Relay, Front Park, and Marker Lamps
Marker Lamps and Front Turn Signal Lamps
Marker Lamps and Front Turn Signal Lamps
G300, G310, G401, and G403
G300, G310, G401, and G403
Marker Lamps and Front Turn Signal Lamps
Marker Lamps and Front Turn Signal Lamps