GM Service Manual Online
For 1990-2009 cars only
Makes
🢒
Cadillac
🢒
2006
🢒
Escalade EXT
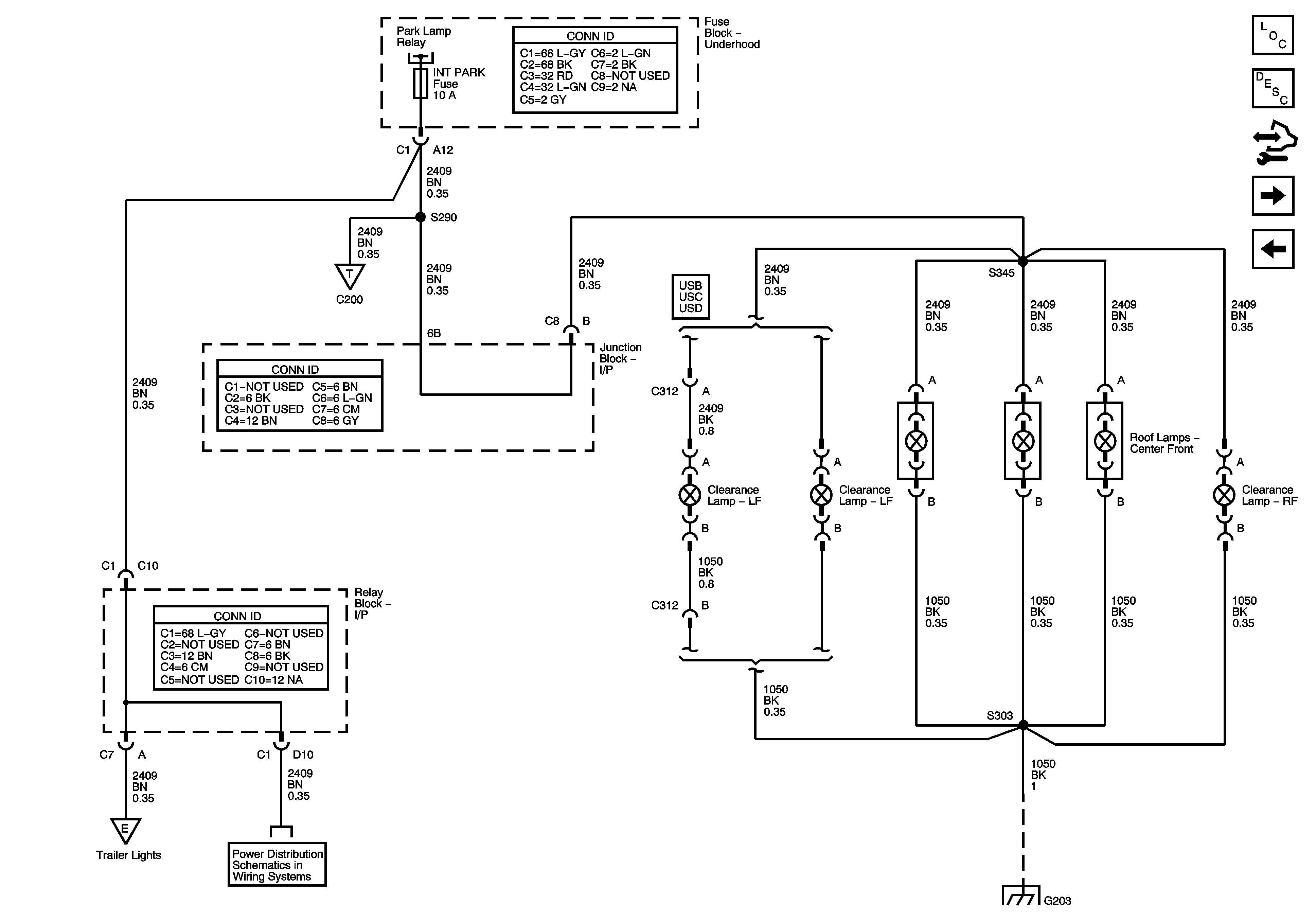
🢒 Roof Lamps - Front
Roof Lamps - Front
Roof Lamps -- Front
Master Electrical Component List
Exterior Lighting Systems Description and Operation
Control Module References
Roof Lamps - Rear
Tail Lamps, Rear Marker, and License Lamps
INT PARK Fuse
Trailer Lighting Provisions
INT PARK Fuse
G203 - 1 of 3