GM Service Manual Online
For 1990-2009 cars only
Makes
🢒
Cadillac
🢒
2006
🢒
Escalade EXT
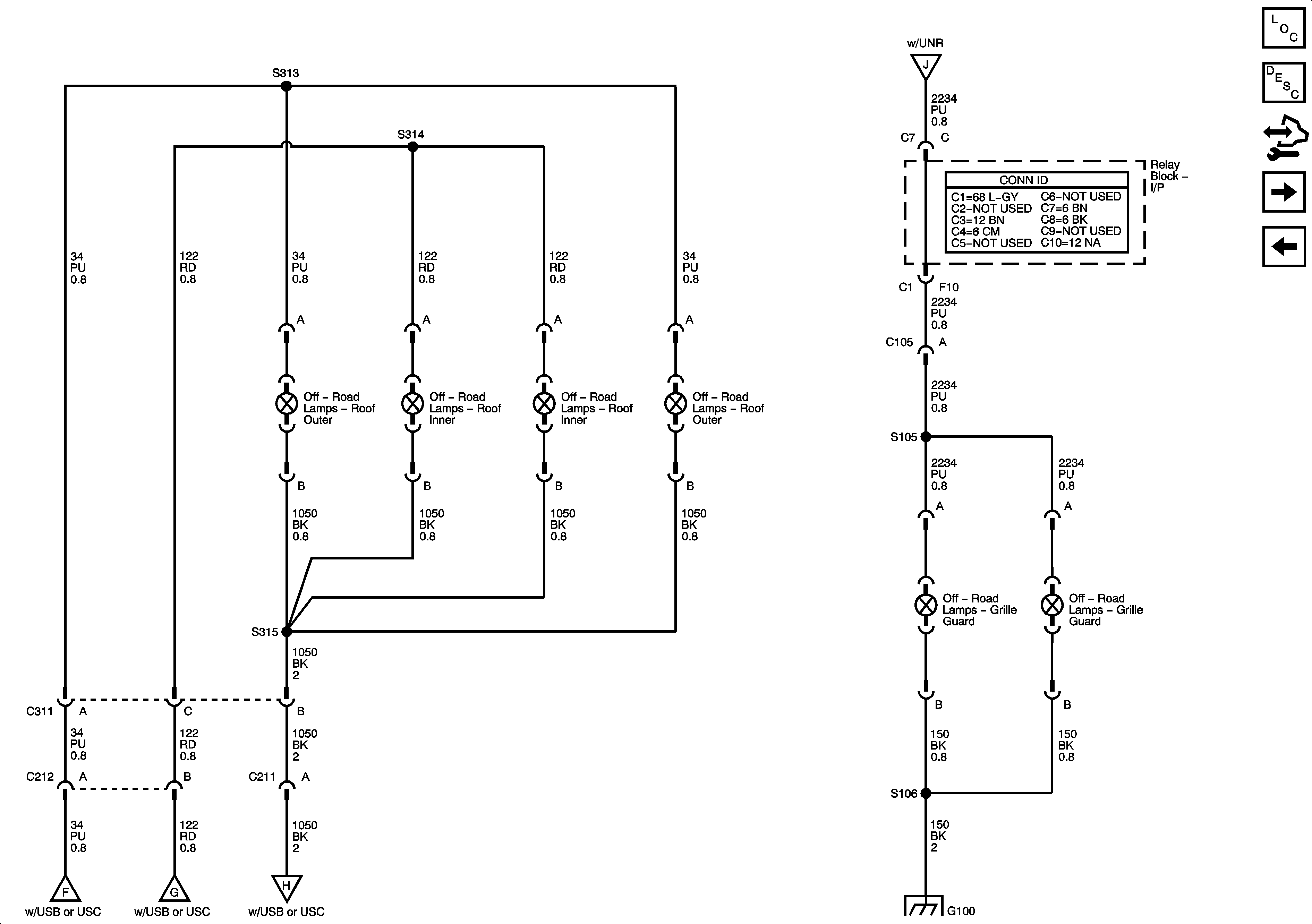
🢒 Off-Road Lights
Off-Road Lights
Off-Road Lights
Master Electrical Component List
Exterior Lighting Systems Description and Operation
Control Module References
Off-Road Lights (Special Edition)
Off-Road Lighting Control
Off-Road Lighting Control
Off-Road Lighting Control
Off-Road Lighting Control
Off-Road Lighting Control
G100 and G105