GM Service Manual Online
For 1990-2009 cars only
Makes
🢒
Cadillac
🢒
2006
🢒
Escalade EXT
🢒 Off-Road Lights (Special Edition)
Off-Road Lights (Special Edition)
Off-Road Lights (Special Edition)
Master Electrical Component List
Exterior Lighting Systems Description and Operation
Control Module References
Backup Lamps
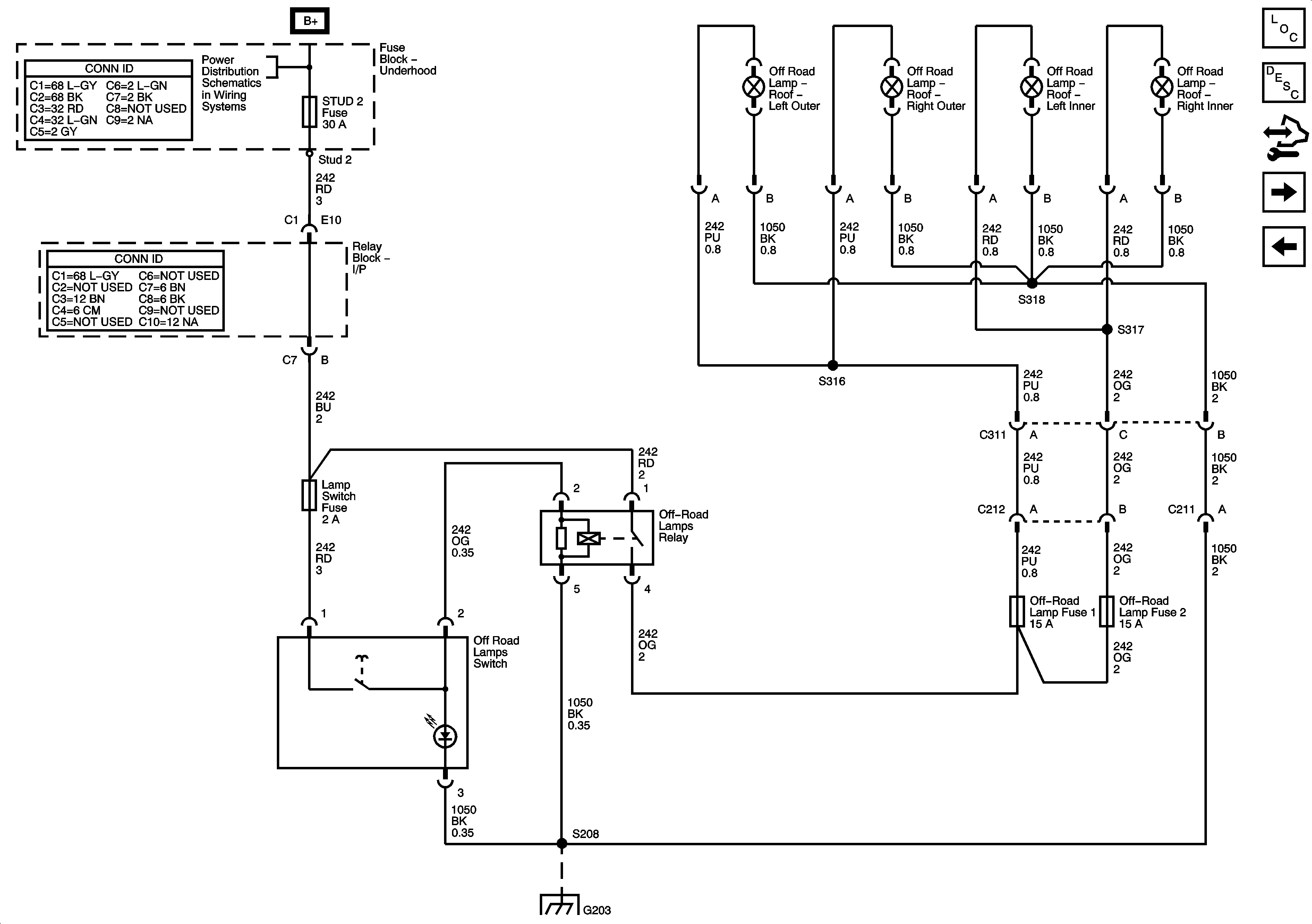
Off-Road Lights
B+ Bus
ABS, BLOWER, MBEC, STUD 1, STUD 2, and VSES/ECAS Fuses and RT DOORS and SEATS Circuit Breakers
G203 - 1 of 3