GM Service Manual Online
For 1990-2009 cars only
Makes
🢒
Cadillac
🢒
2006
🢒
Escalade EXT
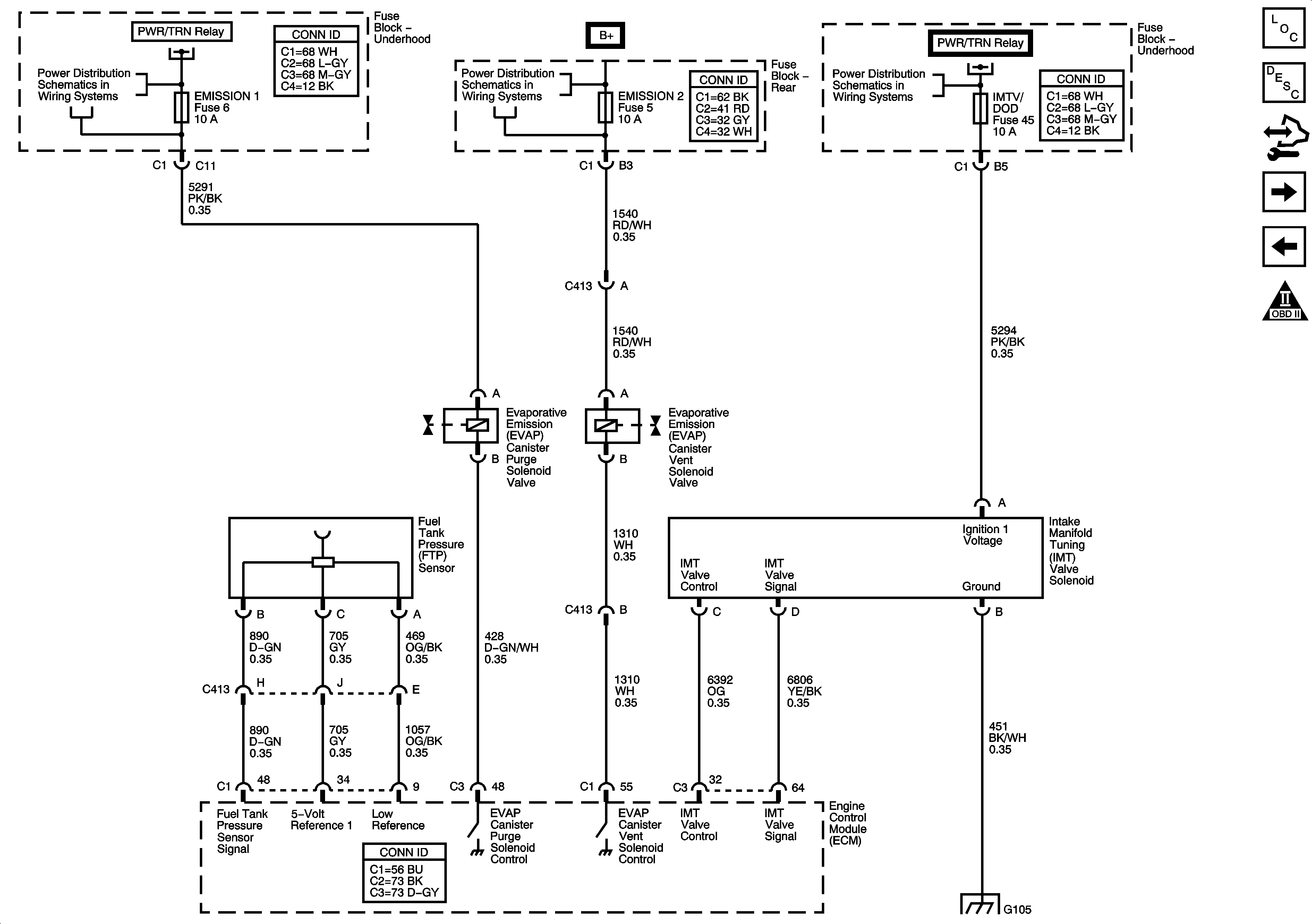
🢒 EVAP Controls, FTP Sensor, IMT Valve
EVAP Controls, FTP Sensor, IMT Valve
EVAP Controls, FTP Sensor, IMT Valve
Master Electrical Component List
Intake Manifold Tuning Valve System Description
Control Module References
Controlled/Monitored Subsystem References
Fuel Injectors and Fuel Pump
Engine Controls Schematic Icons
Underhood Fuse Block A/C CLUTCH Relay, PWR/TRN Relay, A/C CLU, EMISSION 1, ETC, IGN MOD and IMTV/DOD Fuses
DLC, Ground, MIL and Power
Underhood Fuse Block RBEC 2, RUN RLY, Body Control Module (BCM), HVAC BLOWER HIGH Relay, RUN Relay, HVAC BLOWER, HVAC CTRL (IGN) Rear Fuse Block FUEL Relay, PARK LP Relay, TRUNK Relay, DRV ST, EMISSIO
Underhood Fuse Block A/C CLUTCH Relay, PWR/TRN Relay, A/C CLU, EMISSION 1, ETC, IGN MOD and IMTV/DOD Fuses
DLC, Ground, MIL and Power
G103, G104 and G105