GM Service Manual Online
For 1990-2009 cars only
Makes
🢒
Cadillac
🢒
2006
🢒
Escalade EXT
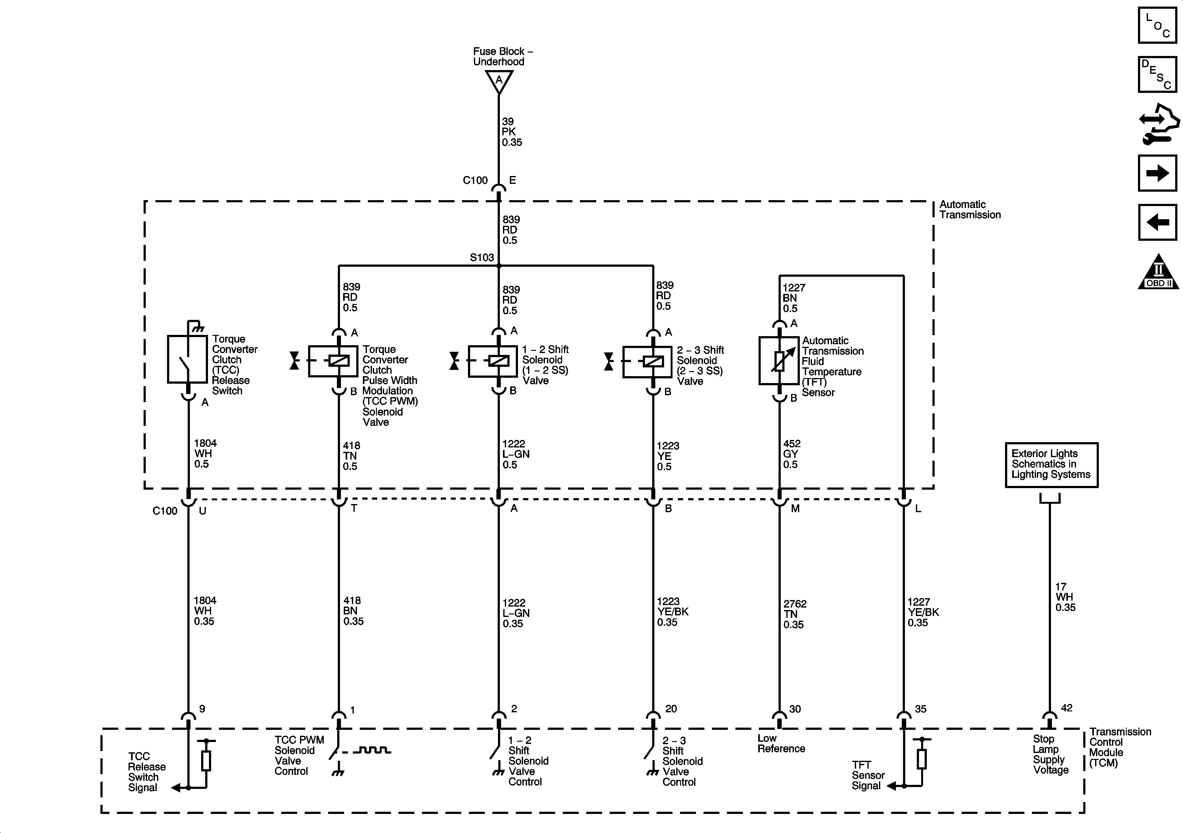
🢒 Shift Solenoids, TCC and TFT
Shift Solenoids, TCC and TFT
Shift Solenoids, TCC and TFT
Master Electrical Component List
Transmission Component and System Description
Control Module References
ISS, Pressure Control and VSS
DLC, Ground and Power
Automatic Transmission Schematic Icons
DLC, Ground and Power
Turn Signals and Stop Lamps