GM Service Manual Online
For 1990-2009 cars only
Makes
🢒
Cadillac
🢒
2006
🢒
Escalade EXT
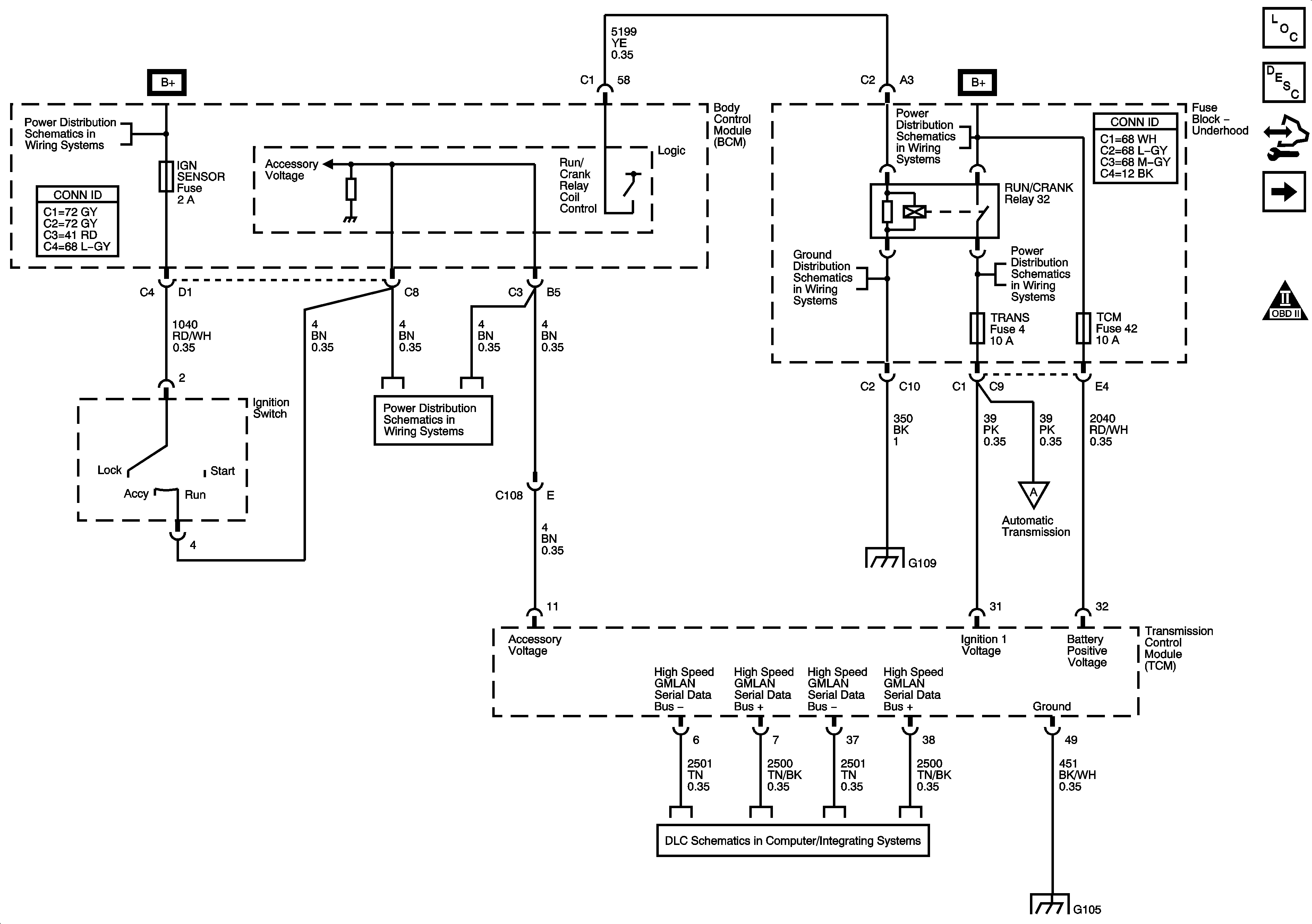
🢒 DLC, Ground and Power
DLC, Ground and Power
DLC, Ground and Power
Master Electrical Component List
Transmission Component and System Description
Control Module References
Shift Solenoids, TCC and TFT
Automatic Transmission Schematic Icons
Underhood Fuse Block IBCM 1, Body Control Module (BCM), AIRBAG (BATT), CLUSTER/THEFT, HVAC CTRL (BATT), IGN SENSOR and RADIO Fuses
Underhood Fuse Block IBCM 1, Body Control Module (BCM), AIRBAG (BATT), CLUSTER/THEFT, HVAC CTRL (BATT), IGN SENSOR and RADIO Fuses
Underhood Fuse Block - B+
G109
G109
Shift Solenoids, TCC and TFT
Power, Ground, Serial Data, High Speed GMLAN
G103, G104 and G105