GM Service Manual Online
For 1990-2009 cars only
Makes
🢒
Cadillac
🢒
2006
🢒
Escalade EXT
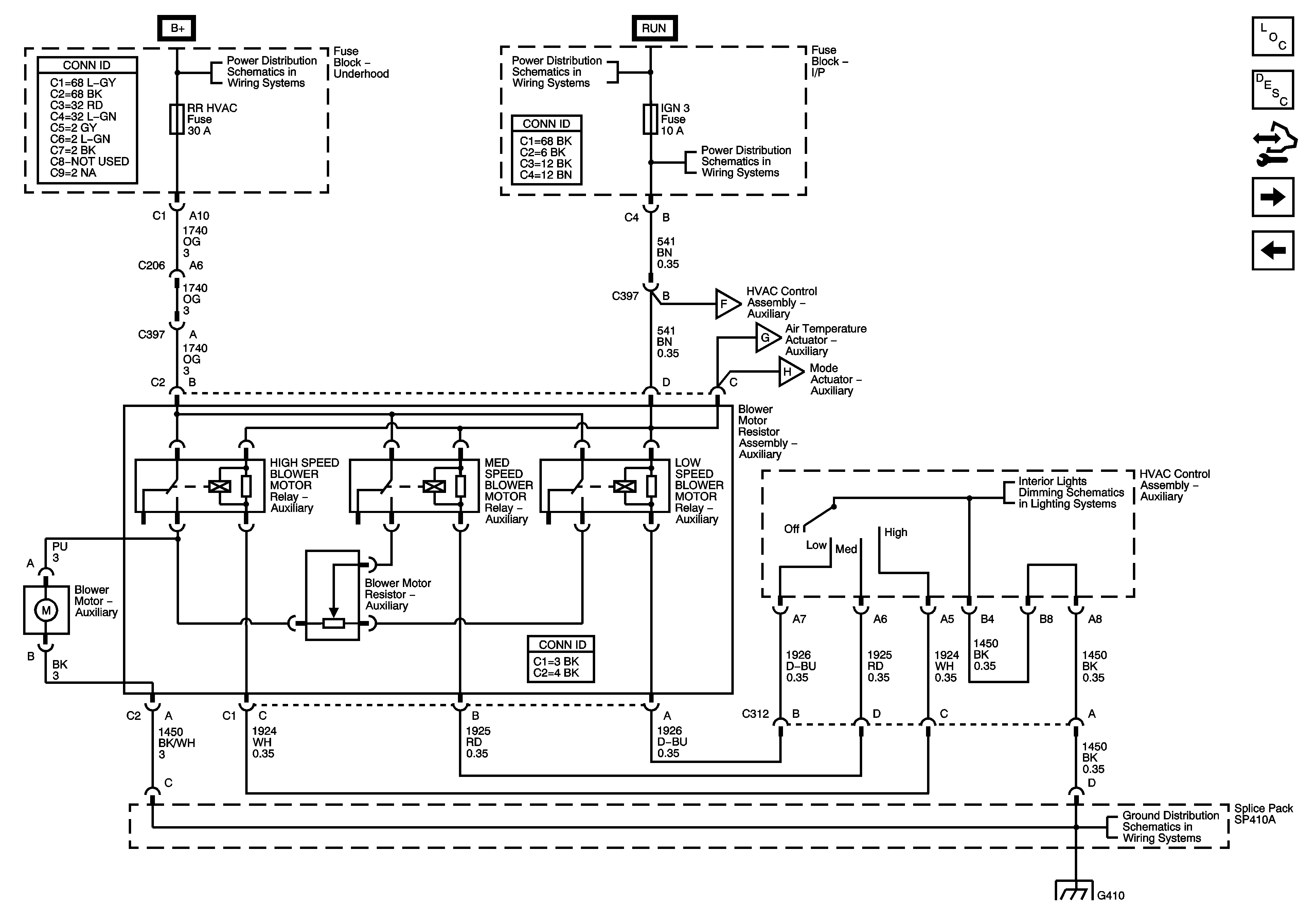
🢒 Auxiliary HVAC Controls,Long Wheelbase - 1 of 2
Auxiliary HVAC Controls,Long Wheelbase - 1 of 2
Auxiliary HVAC Controls, Long Wheelbase 1 of 2
Master Electrical Component List
Air Delivery Description and Operation
Control Module References
Auxiliary HVAC Controls, Long Wheelbase - 2 of 2
Mode and Recirculation Door Control
B+ Bus - 1 of 2
Ignition Switch - ACCY/RUN/START, RUN, and START Busses, IGN A and CRANK Fuses
IGN 3 Fuse - 1 of 2
Auxiliary HVAC Controls, Long Wheelbase - 2 of 2
I/P Dimming Supply Voltage - 7 of 8
G410 3 of 3 Auxiliary HVAC, Short Wheelbase
G410 3 of 3 Auxiliary HVAC, Short Wheelbase