GM Service Manual Online
For 1990-2009 cars only
Makes
🢒
Cadillac
🢒
2006
🢒
Escalade EXT
🢒 Auxiliary HVAC Controls, Short Wheelbase - 1 of 2
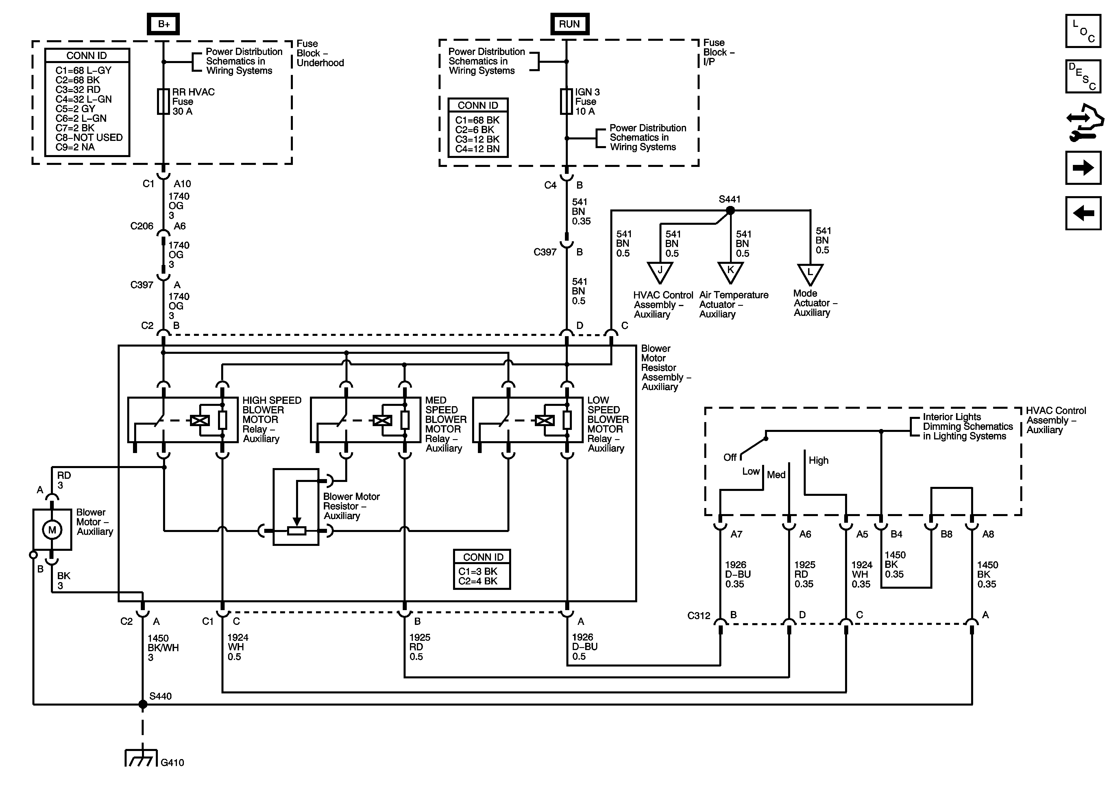
Auxiliary HVAC Controls, Short Wheelbase - 1 of 2
Auxiliary HVAC Controls, Short Wheelbase 1 of 2
Master Electrical Component List
Air Delivery Description and Operation
Control Module References
Auxiliary Blower Control - Short Wheelbase w/ C69
Auxiliary HVAC Controls, Long Wheelbase - 2 of 2
B+ Bus - 1 of 2
Ignition Switch - ACCY/RUN/START, RUN, and START Busses, IGN A and CRANK Fuses
IGN 3 Fuse - 1 of 2
Auxiliary HVAC Controls, Short Wheelbase - 2 of 2
I/P Dimming Supply Voltage - 7 of 8
Roof Beacon Wiring - 5G4