GM Service Manual Online
For 1990-2009 cars only
Makes
🢒
Cadillac
🢒
2006
🢒
Escalade EXT
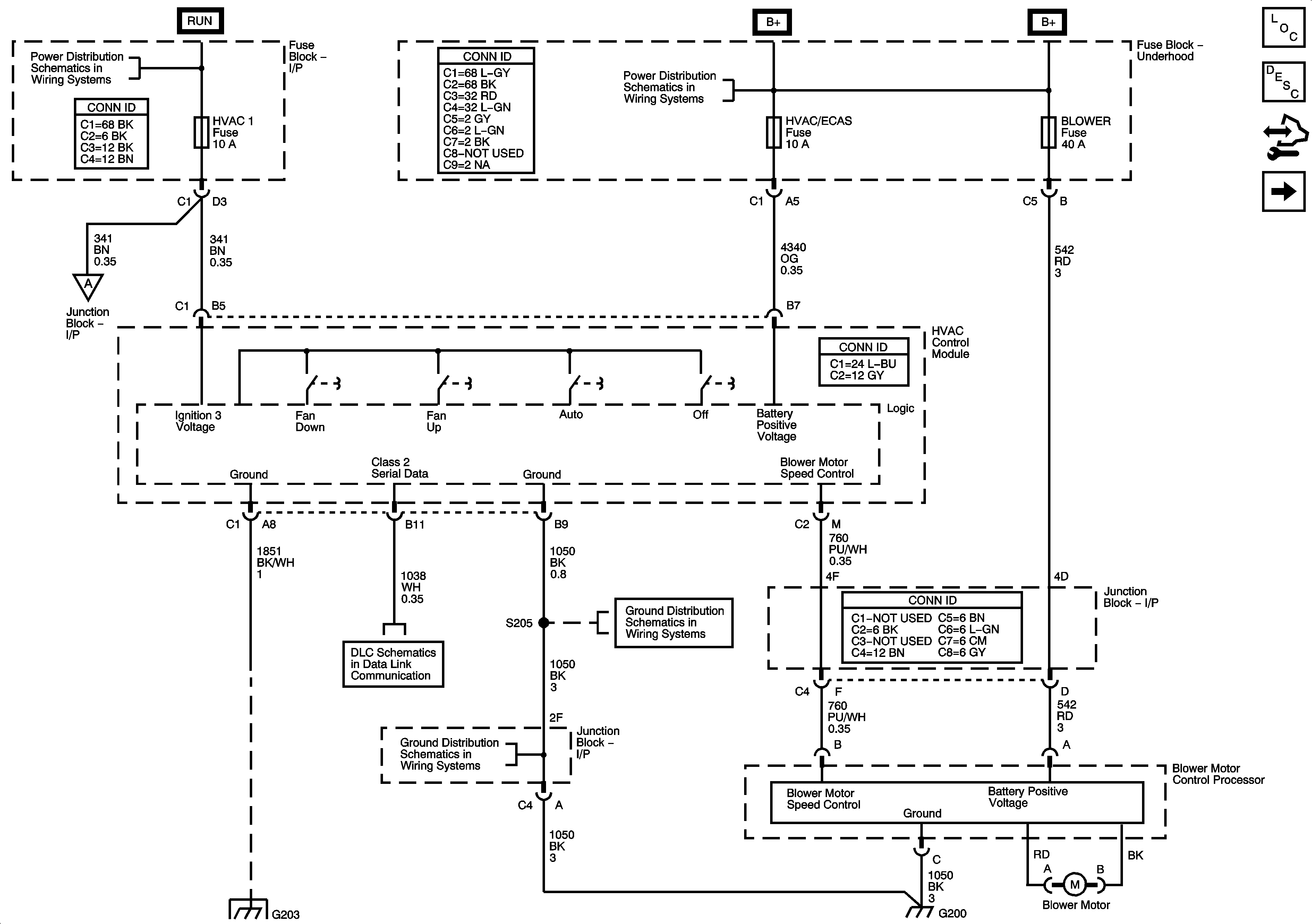
🢒 Power, Ground, Serial Data, and Front Blower Controls
Power, Ground, Serial Data, and Front Blower Controls
Power, Ground, Serial Data, and Front Blower Controls
Master Electrical Component List
Air Delivery Description and Operation
Control Module References
Mode and Recirc Controls, Front Defrost and Rear Defog Controls
Ignition Switch - ACCY/RUN/START, RUN, and START Busses, IGN A and CRANK Fuses
Mode and Recirc Controls, Front Defrost and Rear Defog Controls
B+ Bus - 1 of 2
Power, Ground, DLC and Splice Pack SP205
G200 2 of 3
G200 1 of 3
G203 1 of 3