GM Service Manual Online
For 1990-2009 cars only
Makes
🢒
Cadillac
🢒
2006
🢒
Escalade EXT
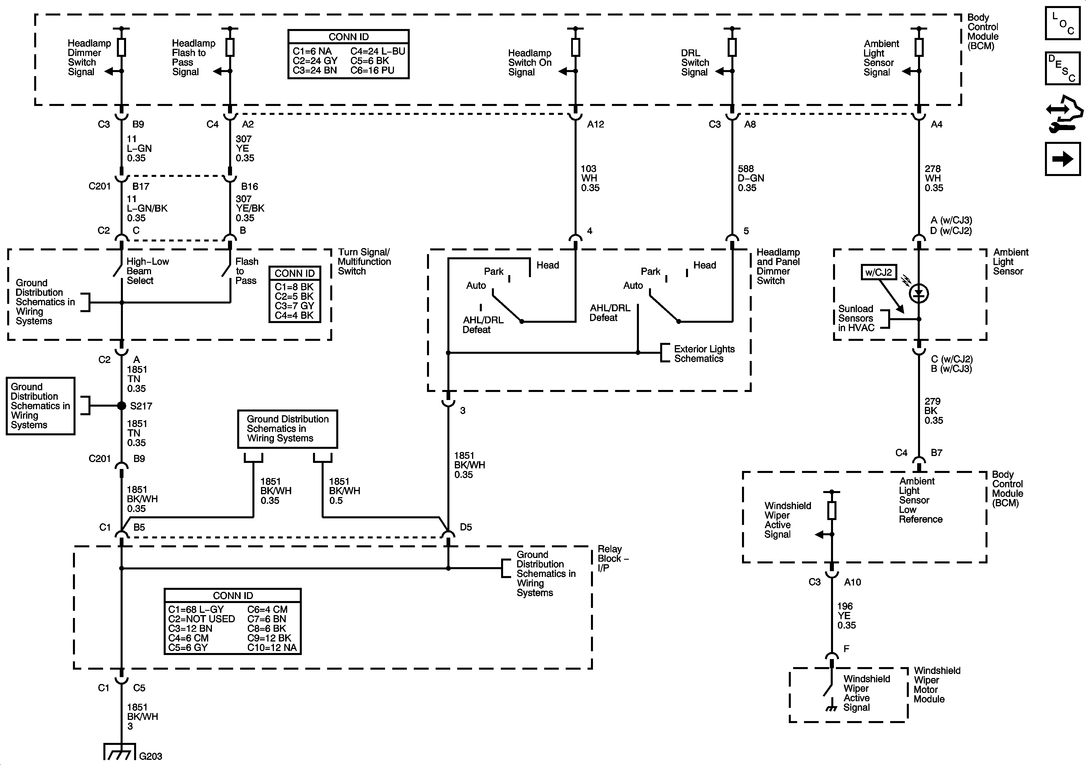
🢒 Headlights/DRL Controls
Headlights/DRL Controls
Headamp/DRL Controls
Master Electrical Component List
Exterior Lighting Systems Description and Operation
Control Module References
Headlights - except Z75
G203 3 of 3
Park Lamp Relay - w/o VD1
Temperature Controls and Sunload Sensors
G203 3 of 3
G203 2 of 3
G203 1 of 3
G203 1 of 3