GM Service Manual Online
For 1990-2009 cars only
Makes
🢒
Cadillac
🢒
2006
🢒
Escalade EXT
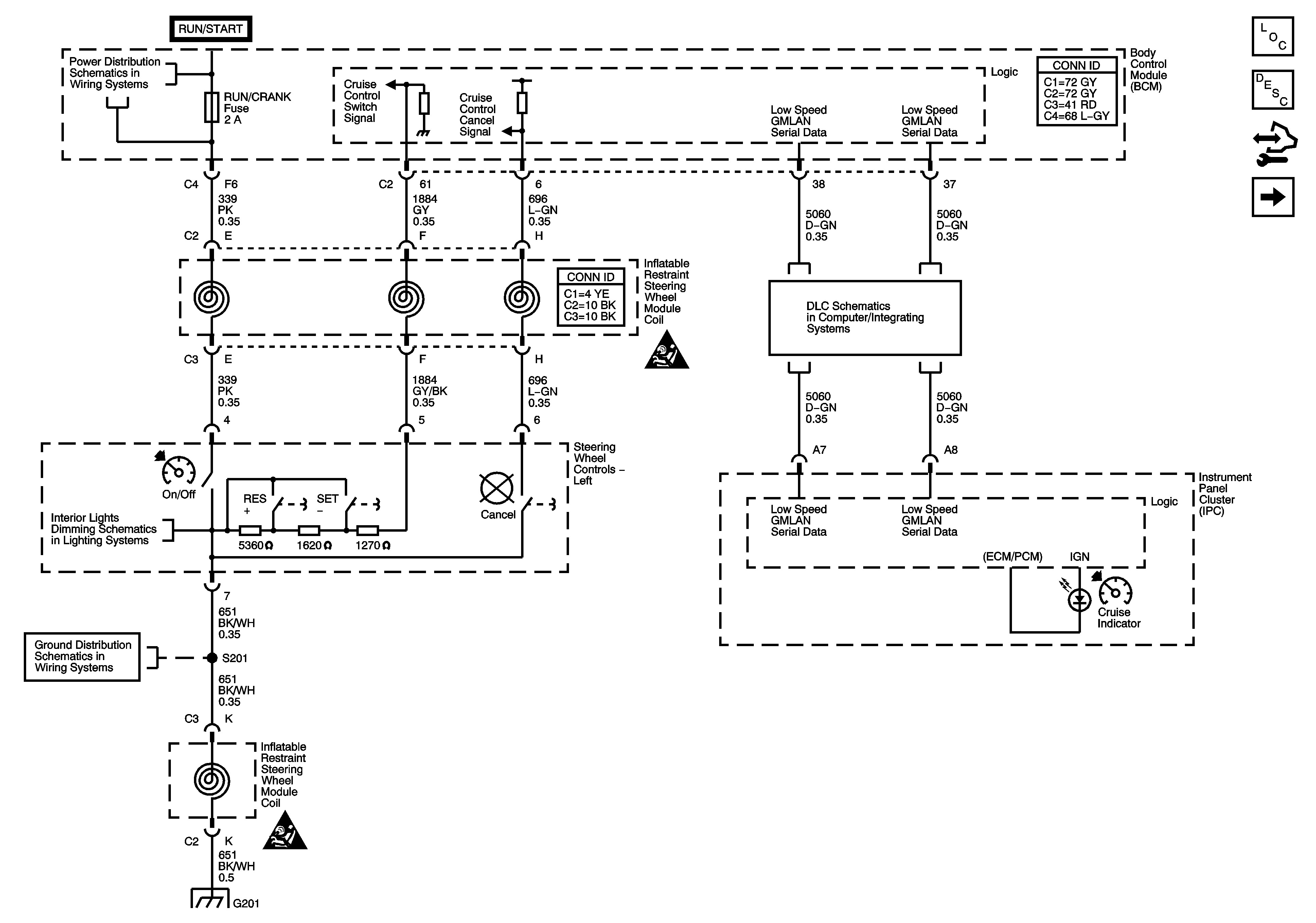
🢒 Steering Wheel Controls - 3 Spoke
Steering Wheel Controls - 3 Spoke
Steering Wheel Controls - 3 Spoke
Master Electrical Component List
Cruise Control Description and Operation (3.5L)
Control Module References
Steering Wheel Controls - 4 Spoke
Underhood Fuse Block RUN RLY, IBCM (RUN/CRANK), Body Control Module (BCM) AIRBAG (IGN) EPS and RUN/CRANK Fuses
Cruise Control Schematic Icons
Low Speed Serial Data
Steering Wheel and Doors
G201
Cruise Control Schematic Icons
G201